Запчасти Komatsu PC240LC-7K ОСНОВН. ЛИНИЯ PPC (БЛОК) ГИДРАВЛИКА

Схема запчастей Komatsu PC240LC-7K - ОСНОВН. ЛИНИЯ PPC (БЛОК) ГИДРАВЛИКА
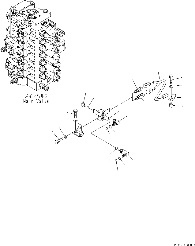
1
2
3
4
5
6
7
8
9
10
11
12
13
14
15
15
16
17
18
19
20
FIT
1:1
100%

Артикул

Название

Примечание

Количество

1

01010-80820

BOLT

2

01643-30823

WASHER

3

01010-81025

BOLT

4

01643-31032

WASHER

5

20Y-62-22271

ELBOW

6

201-60-11390

O-RING

7

20Y-62-19560

O-RING

8

07002-01423

O-RING

9

14X-43-14840

ELBOW

10

201-60-11390

O-RING

11

20Y-62-19560

O-RING

12

07002-01423

O-RING

13

07040-11409

PLUG

14

07002-01423

O-RING

15

206-06-61130

SWITCH

16

20Y-06-21330

WIRING HARNESS

17

08053-01512

CLIP

18

195-33-11220

SPACER

19

01010-81045

BOLT

20

01643-31032

WASHER

Выбрано товаров: 20