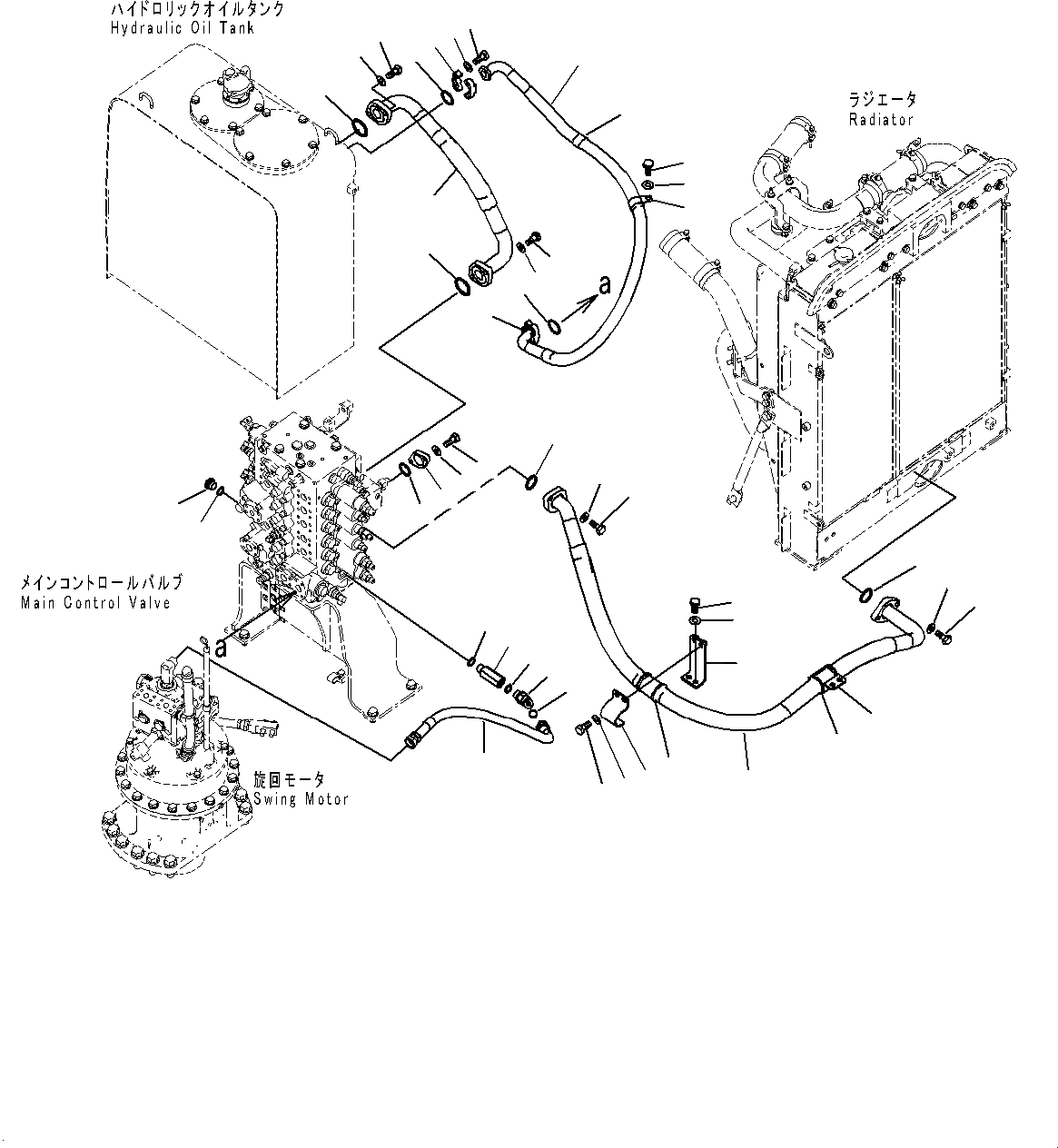
Запчасти Komatsu PC240LC-8 ВОЗВРАТ. ТРУБЫ ВОЗВРАТ. ТРУБЫ

Схема запчастей Komatsu PC240LC-8 - ВОЗВРАТ. ТРУБЫ ВОЗВРАТ. ТРУБЫ
21
20
10
10
7
1
3
6
5
11
14
15
13
16
17
36
39
38
33
33
34
28
30
30
29
32
31
22
27
26
25
24
2
2
4
12
18
23
23
29
35
37
19
7
8
9
FIT
1:1
100%

Артикул

Название

Примечание

Количество

1

206-62-21181

Hose

2

07000-13048

O-ring

3

01010-81240

Bolt

4

01643-31232

Washer

5

01010-81240

Bolt

6

01643-31232

Washer

7

22U-62-21551

Clamp

8

01010-81225

Bolt

9

01643-31232

Washer

10

07095-01245

Cushion

11

203-62-61410

Joint

12

07002-12434

O-ring

13

02783-10628

Elbow

14

07002-12434

O-ring

15

02896-11018

O-ring

16

02762-00608

Hose, Face Seal Type

17

07040-12412

Plug

18

07002-12434

O-ring

19

20Y-62-51461

Bracket

20

01010-81225

Bolt

21

01643-31232

Washer

22

20Y-62-51251

Hose

23

07000-13048

O-ring

24

01010-81240

Bolt

25

01643-31232

Washer

26

01010-81235

Bolt

27

01643-31232

Washer

28

20Y-62-51332

Hose

29

07000-13032

O-ring

30

07371-31049

Flange, Split

31

07372-21035

Bolt

32

01643-51032

Washer

33

281-01-13180

Clip

34

01010-81225

Bolt

35

01643-31232

Washer

36

20Y-62-53160

Flange

37

07000-13040

O-ring

38

01010-81035

Bolt

39

01643-31032

Washer

Выбрано товаров: 39