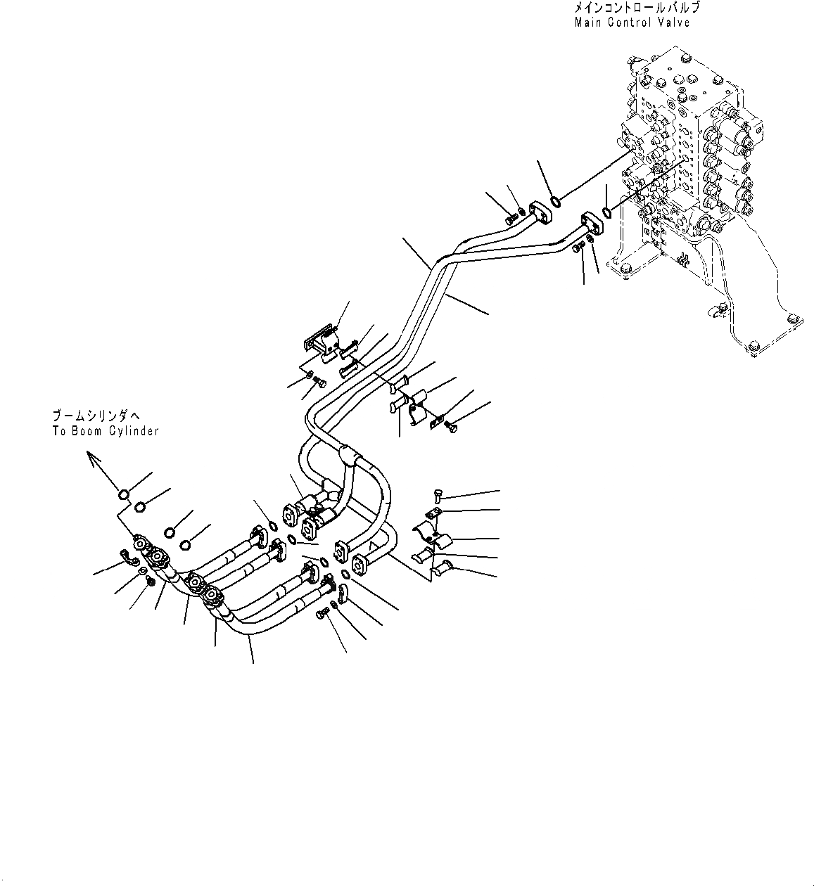
Запчасти Komatsu PC240LC-8 ТРУБЫ СТРЕЛЫ ТРУБЫ СТРЕЛЫ

Схема запчастей Komatsu PC240LC-8 - ТРУБЫ СТРЕЛЫ ТРУБЫ СТРЕЛЫ
3
1
3
2
8
7
8
7
9
10
10
16
12
11
13
13
14
14
16
15
18
4
6
5
19
20
17
17
17
17
18
18
18
21
18
18
18
18
13
14
14
15
FIT
1:1
100%

Артикул

Название

Примечание

Количество

1

20Y-62-41140

Tube

2

20Y-62-41150

Tube

3

07000-13032

O-ring

4

07371-30640

Flange, Split

5

07372-21035

Bolt

6

01643-51032

Washer

7

07372-21040

Bolt

8

01643-51032

Washer

9

206-62-71180

Clamp

10

20Y-62-13760

Seat

11

01010-81235

Bolt

12

01643-31232

Washer

13

20Y-62-13230

Clamp

14

20Y-62-13760

Seat

15

01010-81235

Bolt

16

20Y-62-13450

Plate

17

20Y-62-17480

Hose

18

07000-13025

O-ring

19

07371-30640

Flange, Split

20

07372-21035

Bolt

21

01643-51032

Washer

Выбрано товаров: 21