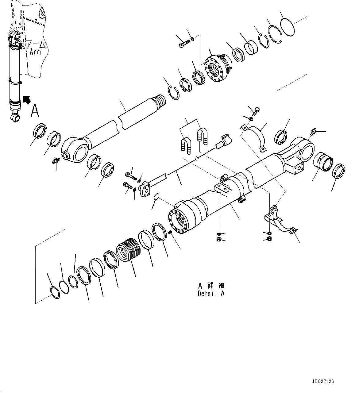
Запчасти Komatsu PC240LC-8 РУКОЯТЬ, .M, ЧАС. СИСТ. СМАЗКИ ТИП, ВНУТР. ЧАСТИ, ЦИЛИНДР КОВША РУКОЯТЬ, .M, ЧАС. СИСТ. СМАЗКИ ТИП

Схема запчастей Komatsu PC240LC-8 - РУКОЯТЬ, .M, ЧАС. СИСТ. СМАЗКИ ТИП, ВНУТР. ЧАСТИ, ЦИЛИНДР КОВША РУКОЯТЬ, .M, ЧАС. СИСТ. СМАЗКИ ТИП
29
36
31
39
38
6
37
35
28
30
23
4
20
21
33
32
26
39
38
24
34
25
8
5
25
22
23
22
14
16
15
13
12
11
10
9
7
2
6
1
19
17
18
7
27
3
4
FIT
1:1
100%

Артикул

Название

Примечание

Количество

|$0

707-01-0J870

Cylinder Assembly

1

707-13-13880

Cylinder

2

707-58-90E60

Rod, Piston

3

707-76-80010

Bushing

4

07145-00080

Seal, Dust, (Kit : K08)

5

07020-00000

Fitting, Grease

6

707-76-80020

Bushing

7

20Y-70-23230

Seal, Dust, (Kit : K08)

8

07020-00000

Fitting, Grease

9

707-27-13750

Cylinder Head

10

07179-13104

Ring, Snap

11

195-63-94170

Seal, Dust, (Kit : K08)

12

707-52-90681

Bushing

13

707-51-90030

Packing, Rod, (Kit : K08)

14

707-51-90650

Ring, Buffer, (Kit : K08)

15

07000-15120

O-ring, (Kit : K08)

16

707-35-91320

Ring, Back-up, (Kit : K08)

17

01010-81875

Bolt

18

707-41-11840

Washer

19

707-75-90110

Ring, Snap

20

707-36-13780

Piston

21

707-44-13150

Ring, Piston, (Kit : K08)

22

707-39-13150

Ring, Wear, (Kit : K08)

23

707-44-13911

Ring

24

07000-15080

O-ring, (Kit : K08)

25

707-35-90940

Ring, Back-up, (Kit : K08)

26

01310-01216

Screw

27

707-86-67820

Tube

28

07372-21045

Bolt

29

01643-51032

Washer

30

07372-21060

Bolt

31

01643-51032

Washer

32

07000-13030

O-ring, (Kit : K08)

33

707-88-22640

Bracket

34

707-88-21331

Band

35

07372-21035

Bolt

36

01643-51032

Washer

37

07283-32738

Clip, Pipe

38

01597-01009

Nut

39

01643-31032

Washer

Выбрано товаров: 40