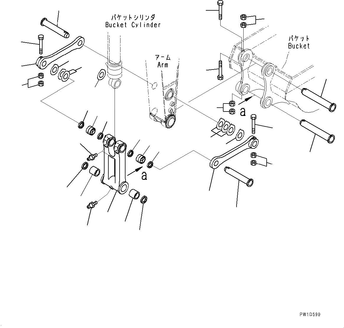
Запчасти Komatsu PC240LC-8 РУКОЯТЬ, .M, УСИЛ., ЧАС. СИСТ. СМАЗКИ ТИП, СОЕДИНЕНИЕ КОВША РУКОЯТЬ, .M, УСИЛ., ЧАС. СИСТ. СМАЗКИ ТИП

Схема запчастей Komatsu PC240LC-8 - РУКОЯТЬ, .M, УСИЛ., ЧАС. СИСТ. СМАЗКИ ТИП, СОЕДИНЕНИЕ КОВША РУКОЯТЬ, .M, УСИЛ., ЧАС. СИСТ. СМАЗКИ ТИП
4
16
1
2
2
5
5
6
6
10
15
12
7
21
19
17
8
9
20
22
18
13
14
11
16
4
5
5
5
5
3
3
FIT
1:1
100%

Артикул

Название

Примечание

Количество

|1

206-70-00830

Link Assembly

2

21K-70-12161

Bushing

3

206-70-53150

Bushing

4

07020-00000

Fitting, Grease

5

20Y-70-23230

Seal, Dust

6

206-70-57120

Link

7

206-70-53143

Pin

8

20Y-70-32450

Bolt

9

01580-12016

Nut

10

20Y-70-11340

Spacer, T=0.8mm

11

205-70-51530

Spacer, T=1.5mm

12

206-70-53143

Pin

13

20Y-70-32450

Bolt

14

01580-12016

Nut

15

20Y-70-11340

Spacer, T=0.8mm

16

205-70-51530

Spacer, T=1.5mm

17

205-70-73270

Pin

18

20Y-70-32450

Bolt

19

01580-12016

Nut

20

205-70-73270

Pin

21

20Y-70-32460

Bolt

22

01580-12016

Nut

Выбрано товаров: 22