Запчасти Komatsu PC240LC-8K ОСНОВН. КОНСТРУКЦИЯ K OPERATORґS ОБСТАНОВКА И СИСТЕМА УПРАВЛЕНИЯ

Схема запчастей Komatsu PC240LC-8K - ОСНОВН. КОНСТРУКЦИЯ K OPERATORґS ОБСТАНОВКА И СИСТЕМА УПРАВЛЕНИЯ
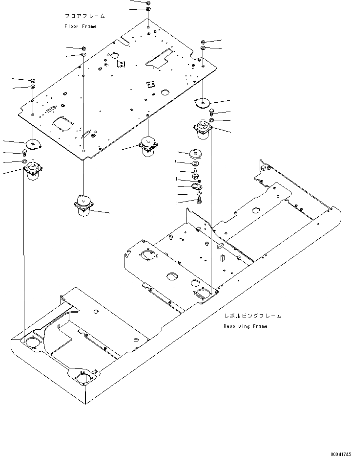
1
1
2
2
3
3
3
3
4
4
4
4
5
5
6
6
7
7
8
9
10
11
12
13
14
FIT
1:1
100%

Артикул

Название

Примечание

Количество

1

20Y-53-13113

CUSHION

|1

20Y-53-13111

CUSHION

2

20Y-53-13121

CUSHION

3

01580-12016

NUT

4

01643-32060

WASHER

5

20Y-53-13130

SPACER

6

01010-81235

BOLT

7

01643-31232

WASHER

8

20Y-53-13141

PLATE

9

01010-83075

BOLT

10

01643-33080

WASHER

11

20Y-53-13151

LOCK

12

01010-81235

BOLT

13

01643-31232

WASHER

14

198-43-15310

COLLAR, 10MM

Выбрано товаров: 15