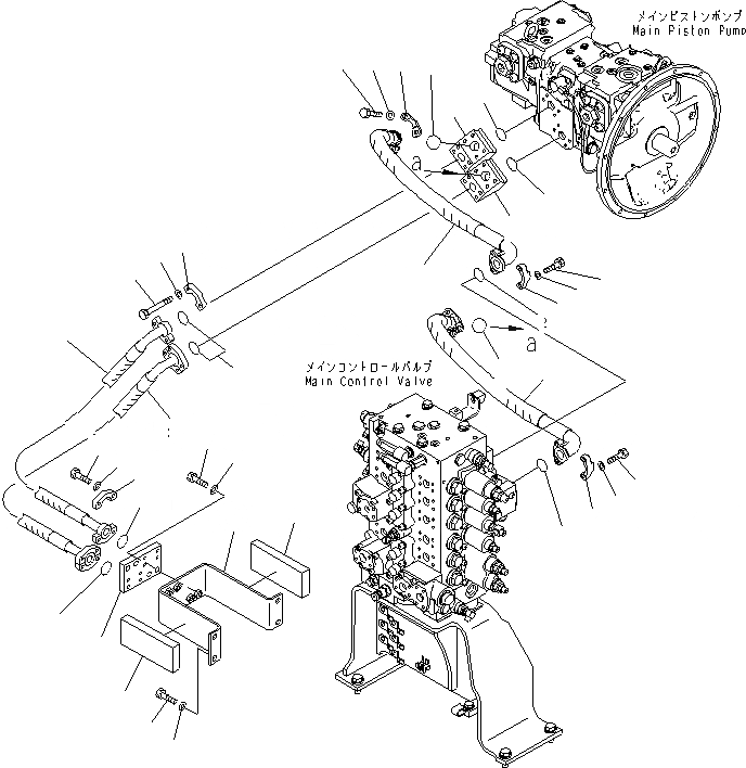
Запчасти Komatsu PC240LC-8K ЛИНИЯ ПОДАЧИ H ГИДРАВЛИКА

Схема запчастей Komatsu PC240LC-8K - ЛИНИЯ ПОДАЧИ H ГИДРАВЛИКА
20
11
12
8
9
10
8
2
7
6
7
6
1
2
3
5
4
4
5
3
2
2
1
24
13
23
22
24
14
21
21
15
16
20
17
19
18
21
FIT
1:1
100%

Артикул

Название

Примечание

Количество

1

07084-01AA9

HOSE

2

07000-13032

O-RING

3

07371-31049

FLANGE

4

07372-21035

BOLT

5

01643-51032

WASHER

6

20Y-62-52411

BLOCK

|6

20Y-62-52410

BLOCK

7

07000-13032

O-RING

8

07371-31049

FLANGE

9

07372-21035

BOLT

10

01643-51032

WASHER

11

417-875-1670

BOLT

12

01643-51032

WASHER

13

206-62-21230

BRACKET

14

20Y-62-52421

BRACKET

15

01010-81245

BOLT

16

01643-31232

WASHER

17

07371-30640

FLANGE

18

07372-21035

BOLT

19

01643-51032

WASHER

20

20Y-62-52480

HOSE

21

07000-13032

O-RING

22

01010-81225

BOLT

23

01643-31232

WASHER

24

206-62-21250

SHEET

Выбрано товаров: 25