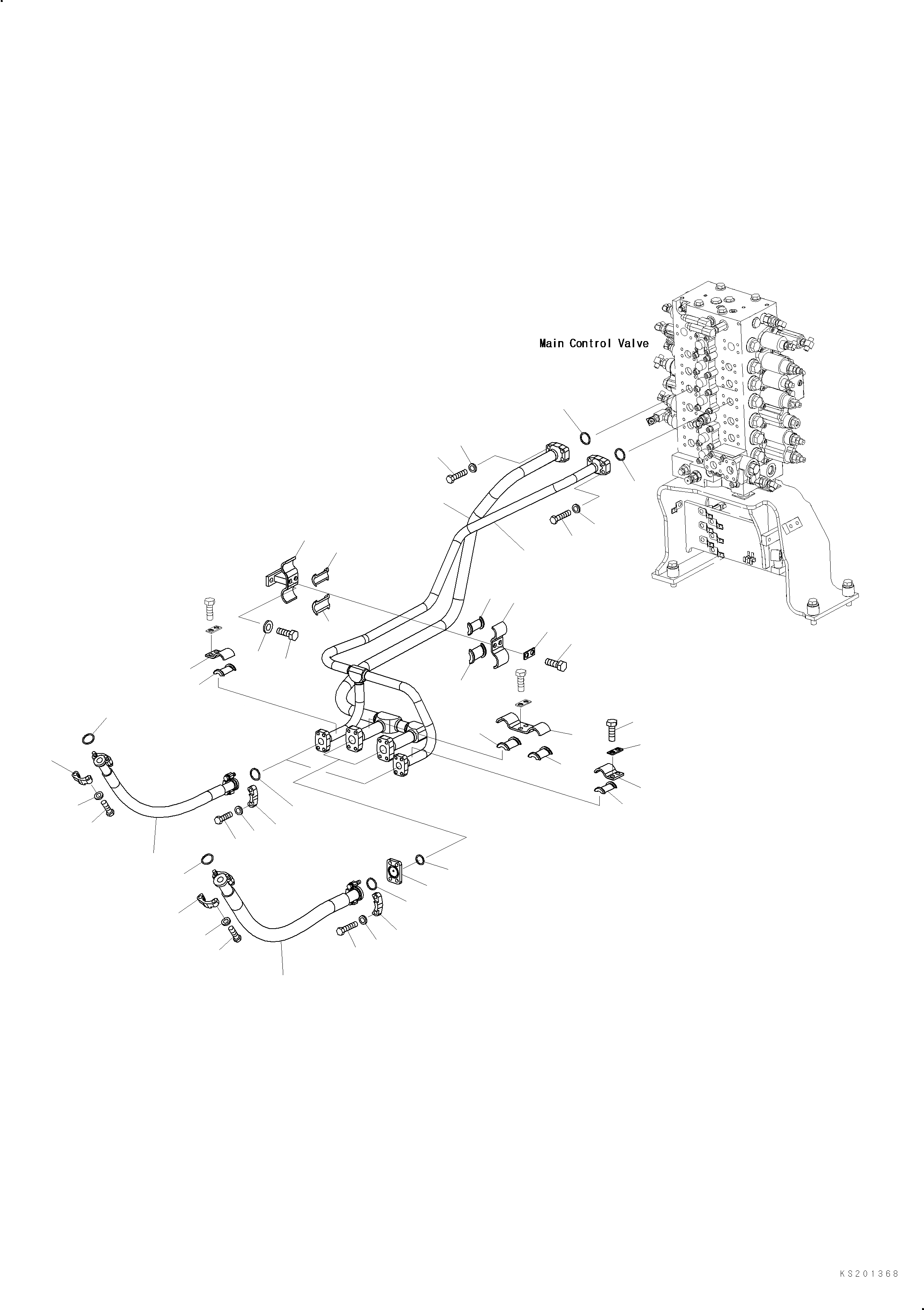
Запчасти Komatsu PC240LC ГИДРОЛИНИЯ СТРЕЛЫ H ГИДРАВЛИКА

Схема запчастей Komatsu PC240LC - ГИДРОЛИНИЯ СТРЕЛЫ H ГИДРАВЛИКА
12
11
2
1
19
18
20
22
13
15
14
16
17
23
24
28
29
31
30
27
33
34
36
35
32
9
10
8
33
37
38
28
5
7
6
21
22
25
26
23
24
26
25
11
12
4
3
FIT
1:1
100%

Артикул

Название

Примечание

Количество

1

206-62-32710

TUBE

2

206-62-32730

TUBE

3

07000-13032

O-RING

4

07000-13035

O-RING

5

07371-30640

FLANGE, SPLIT

6

07372-21035

BOLT

7

01643-51032

WASHER

8

07371-31049

FLANGE, SPLIT

9

07372-21045

BOLT

10

01643-51032

WASHER

11

07372-21040

BOLT

12

01643-51032

WASHER

13

206-62-31140

CLAMP

14

205-62-73430

SEAT, WELDED

15

20Y-62-13760

SEAT, WELDED

16

01010-81235

BOLT

17

01643-31232

WASHER

18

20Y-62-13740

CLAMP

19

20Y-62-13760

SEAT, WELDED

20

205-62-73430

SEAT, WELDED

21

2A5-62-11580

CLAMP

22

205-62-73430

SEAT, WELDED

23

20Y-62-13220

CLAMP

24

20Y-62-13760

SEAT, WELDED

25

01010-81235

BOLT

26

20Y-62-13450

PLATE

27

206-62-31722

HOSE

28

07000-13025

O-RING

29

07371-31049

FLANGE, SPLIT

30

07372-21035

BOLT

31

01643-51032

WASHER

32

206-62-31732

HOSE

33

07000-13032

O-RING

34

07371-31049

FLANGE, SPLIT

35

07372-21035

BOLT

36

01643-51032

WASHER

37

206-62-K3880

ORIFICE

38

07000-13035

O-RING

Выбрано товаров: 38