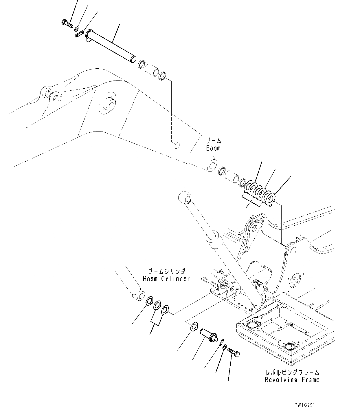
Запчасти Komatsu PC240NLC-10 СТРЕЛА НИЖН. ПАЛЕЦ СТРЕЛА НИЖН. ПАЛЕЦ

Схема запчастей Komatsu PC240NLC-10 - СТРЕЛА НИЖН. ПАЛЕЦ СТРЕЛА НИЖН. ПАЛЕЦ
14
13
12
11
10
9
6
7
8
4
3
2
1
13
5
FIT
1:1
100%

Артикул

Название

Примечание

Количество

1

206-70-55270

Pin

2

20Y-70-11190

Plate

3

01010-81640

Bolt

4

01643-31645

Washer

5

206-70-31330

Spacer, T=2mm

6

206-70-31340

Spacer, T=2.5mm

7

206-70-31350

Spacer, T=3mm

8

206-70-31360

Spacer, T=3.5mm

9

205-70-65750

Pin

10

205-70-66580

Plate

11

01010-81235

Bolt

12

01643-31232

Washer

13

21K-70-71650

Spacer, T=1.0mm

14

21K-70-71660

Spacer, T=2.0mm

Выбрано товаров: 14