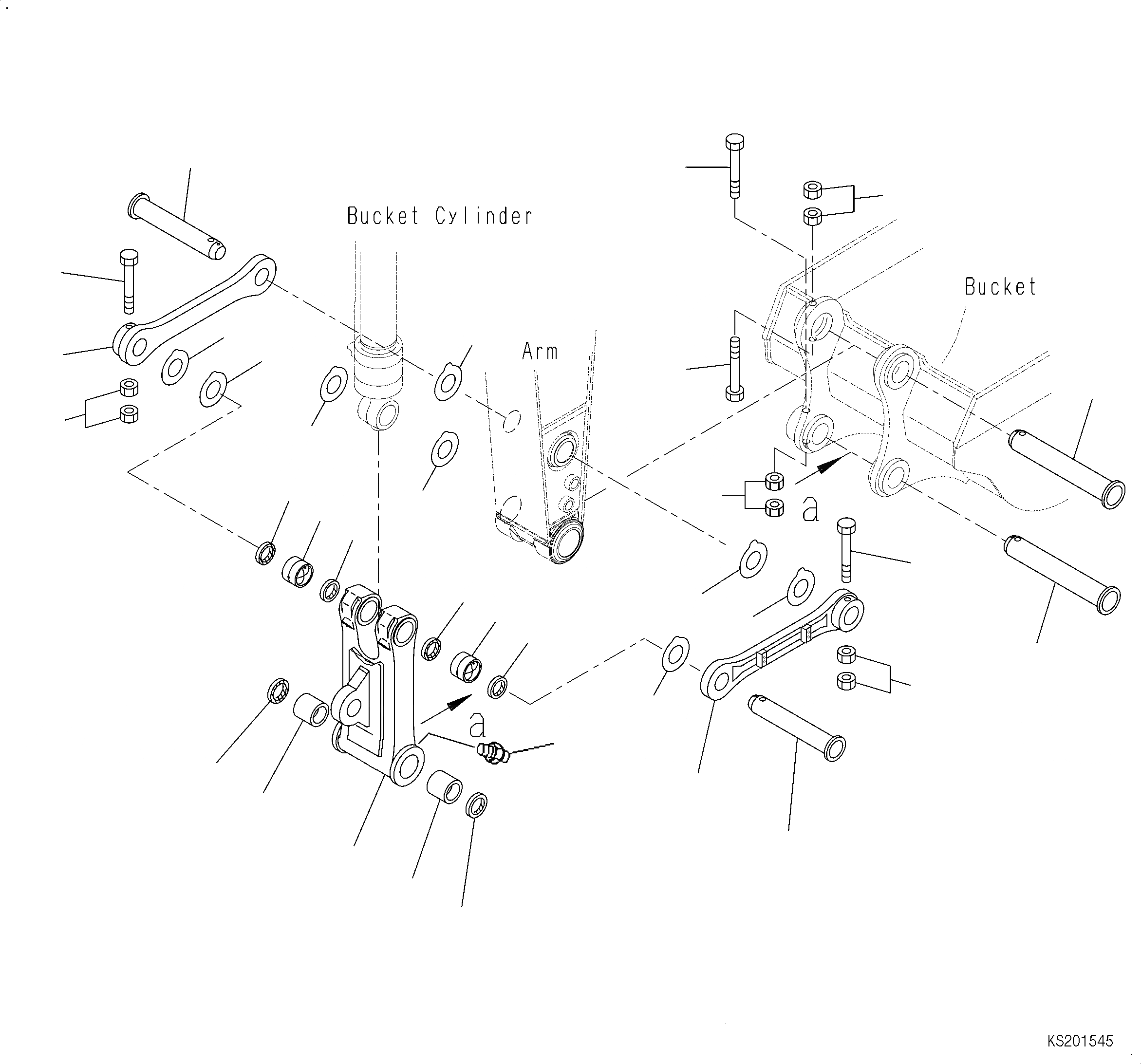
Запчасти Komatsu PC240NLC-10 АВТОМАТИЧ. СМАЗ. СИСТЕМА, СОЕДИНЕНИЕ КОВША, С ПОДЪЕМ EYE АВТОМАТИЧ. СМАЗ. СИСТЕМА

Схема запчастей Komatsu PC240NLC-10 - АВТОМАТИЧ. СМАЗ. СИСТЕМА, СОЕДИНЕНИЕ КОВША, С ПОДЪЕМ EYE АВТОМАТИЧ. СМАЗ. СИСТЕМА
5
2
1
2
5
4
16
6
13
10
18
9
21
23
19
22
20
12
11
5
3
5
16
5
3
5
16
11
17
16
15
7
14
8
FIT
1:1
100%

Артикул

Название

Примечание

Количество

|$1

206-70-K2022

Link Assembly

2

21K-70-12161

Bushing

3

206-70-53150

Bushing

4

07020-00000

Fitting, Grease

5

20Y-70-23230

Seal, Dust

6

206-70-K2860

Link

7

206-70-57120

Link

8

206-70-53143

Pin

9

20Y-70-32450

Bolt

10

01580-12016

Nut

11

206-70-31420

Spacer, T=1.0mm

12

206-70-31430

Spacer, T=2.0mm

13

206-70-53143

Pin

14

20Y-70-32450

Bolt

15

01580-12016

Nut

16

206-70-31390

Spacer, T=1.0mm

17

206-70-31410

Spacer, T=2.0mm

18

205-70-73270

Pin

19

205-70-73190

Bolt

20

01580-12016

Nut

21

205-70-73270

Pin

22

20Y-70-32460

Bolt

23

01580-12016

Nut

Выбрано товаров: 23