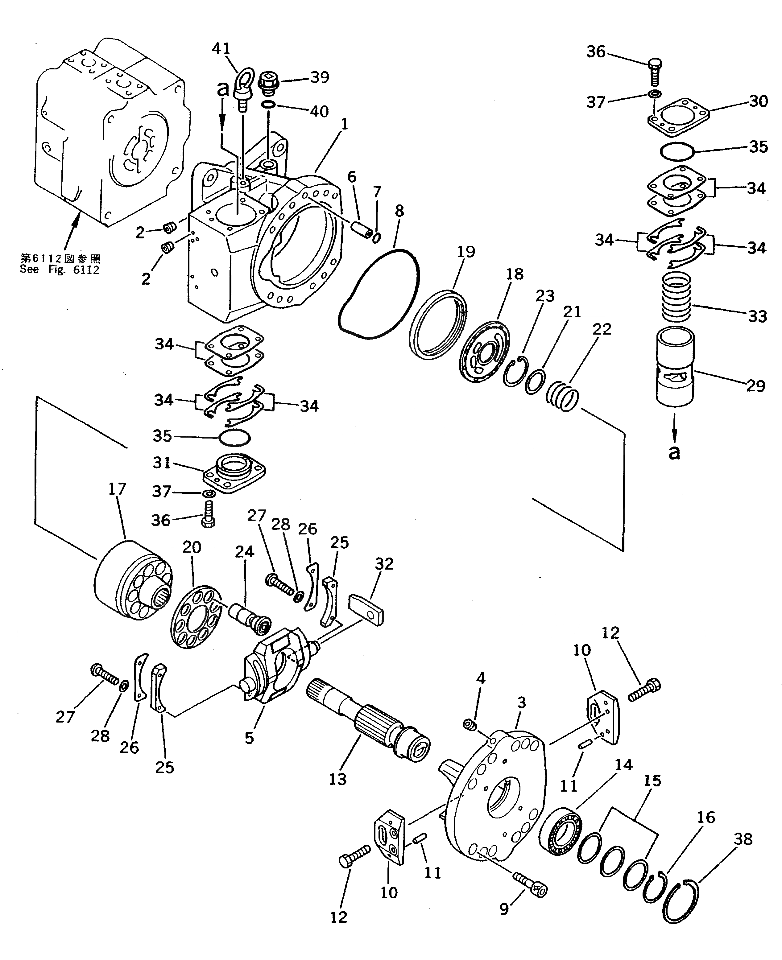
Запчасти Komatsu PC240NLC-5K ГИДР. НАСОС. (/) (НАСОС SUB В СБОРЕ¤ ЗАДН.) УПРАВЛ-Е РАБОЧИМ ОБОРУДОВАНИЕМ

Схема запчастей Komatsu PC240NLC-5K - ГИДР. НАСОС. (/) (НАСОС SUB В СБОРЕ¤ ЗАДН.) УПРАВЛ-Е РАБОЧИМ ОБОРУДОВАНИЕМ
FIT
1:1
100%

Артикул

Название

Примечание

Количество

|1

708-25-04061

PUMP ASS'Y

|1

708-25-04022

PUMP ASS'Y

|1

708-25-04151

PUMP SUB ASS'Y

|1

708-25-04112

PUMP SUB ASS'Y

|1

708-25-00100

CASE ASS'Y,REAR

1

CASE,REAR

2

PLUG

|3

708-25-00041

CRADLE ASS'Y,REAR

|3

708-25-00490

CRADLE SUB ASS'Y,REAR

3

CRADLE,REAR

4

PLUG

5

708-25-13411

CAM,ROCKER

6

708-25-12330

JOINT

7

07000-22015

O-RING

8

708-25-12340

O-RING

9

708-25-12350

BOLT

10

708-25-12360

PLATE

11

04020-00820

PIN,DOWEL

12

01010-30816

BOLT

13

708-25-32720

SHAFT

14

708-25-12731

BEARING

15

708-25-05010

WASHER KIT

|15

WASHER¤ 2.0MM

|15

WASHER¤ 2.1MM

|15

WASHER¤ 2.2MM

16

708-25-12790

RING,SNAP

|17

708-25-00411

CYLINDER BLOCK ASS'Y,CYLINDER

|17

708-25-00410

BLOCK ASS'Y,CYLINDER

17

708-25-13151

BLOCK,CYLINDER

18

708-25-13621

PLATE,VALVE

|18

708-25-13620

PLATE,VALVE

19

708-25-13630

RING

20

708-25-13422

RETAINER,SHOE

21

708-25-13120

WASHER

22

708-25-13130

SPRING

23

708-25-13140

RING,SNAP

24

708-25-13312

PISTON SUB ASS'Y

25

708-25-05061

SPACER KIT

|25

SPACER¤ 11.540MM

|25

SPACER¤ 11.560MM

|25

SPACER¤ 11.575MM

26

708-25-13441

RETAINER

27

708-25-13470

SCREW

28

01643-30623

WASHER

29

708-25-14112

PISTON

30

708-25-14140

CAP

31

708-25-14150

CAP

32

708-25-14121

SLIDER

33

708-25-14130

SPRING

34

708-25-05050

SHIM KIT

|34

SHIM¤ 0.1MM

|34

SHIM¤ 0.2MM

|34

SHIM¤ 0.5MM

|34

SHIM¤ 0.1MM

35

07000-02065

O-RING

36

01016-31035

BOLT

37

01643-31032

WASHER

38

708-25-12970

RING,SNAP

39

07044-02412

PLUG

40

07002-02434

O-RING

41

04530-01018

BOLT,EYE

Выбрано товаров: 61