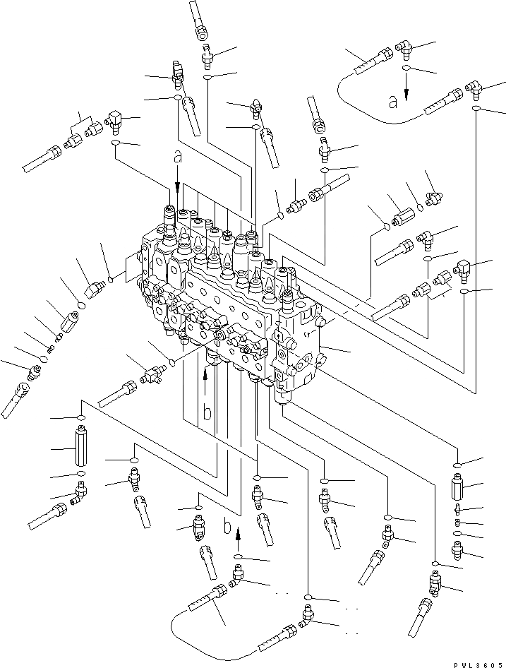
Запчасти Komatsu PC240NLC-6K ОСНОВН. КЛАПАН (СОЕДИНИТЕЛЬН. ЧАСТИ) ( АКТУАТОР)(№K-) ГИДРАВЛИКА

Схема запчастей Komatsu PC240NLC-6K - ОСНОВН. КЛАПАН (СОЕДИНИТЕЛЬН. ЧАСТИ) ( АКТУАТОР)(№K-) ГИДРАВЛИКА
1
2
2
3
3
3
3
3
3
3
3
4
5
5
5
5
5
5
5
5
5
5
5
6
6
7
7
8
9
10
11
12
13
14
15
16
17
18
19
20
20
21
21
22
22
23
24
25
26
27
28
29
30
31
32
33
34
35
36
37
37
38
38
39
39
FIT
1:1
100%

Артикул

Название

Примечание

Количество

1

723-48-13502

VALVE ASS'Y

|1

723-48-13501

VALVE ASS'Y

|1

723-48-13500

VALVE ASS'Y

2

07235-10210

ELBOW

3

07235-10210

ELBOW

4

07235-10210

ELBOW

5

07002-11423

O-RING

6

208-62-17550

TEE

7

07002-11423

O-RING

8

20Y-62-27680

ADAPTER

9

07002-11423

O-RING

10

07235-10210

ELBOW

11

07002-11423

O-RING

12

20Y-62-23541

ELBOW

13

07002-11423

O-RING

|14

20Y-60-K1240

VALVE ASS'Y

14

BODY

15

20Y-60-22270

POPPET

16

701-20-61230

SPRING

17

07230-20210

UNION

18

07002-01423

O-RING

19

07002-11423

O-RING

20

205-62-74190

ELBOW

21

07002-11223

O-RING

22

20G-966-K380

NIPPLE

23

07230-20210

UNION

24

07002-11423

O-RING

25

208-62-17550

TEE

26

07002-11423

O-RING

|27

20Y-60-K1240

VALVE ASS'Y

27

BODY

28

20Y-60-22270

POPPET

29

701-20-61230

SPRING

30

07230-20210

UNION

31

07002-01423

O-RING

32

07002-11423

O-RING

33

20Y-62-22160

ADAPTER

34

07002-11423

O-RING

35

07235-10210

ELBOW

36

07002-11423

O-RING

37

07096-00204

HOSE

38

07235-10210

ELBOW

39

07002-11423

O-RING

Выбрано товаров: 0