Запчасти Komatsu PC240NLC-7K ОСНОВН. КОНСТРУКЦИЯ (PPC) (/)(№K-K) КАБИНА ОПЕРАТОРА И СИСТЕМА УПРАВЛЕНИЯ

Схема запчастей Komatsu PC240NLC-7K - ОСНОВН. КОНСТРУКЦИЯ (PPC) (/)(№K-K) КАБИНА ОПЕРАТОРА И СИСТЕМА УПРАВЛЕНИЯ
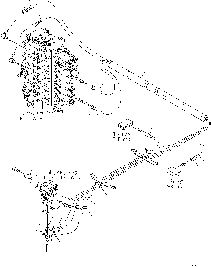
1
2
3
3
4
4
5
5
6
6
7
7
8
8
9
9
10
10
11
11
12
12
13
13
14
14
FIT
1:1
100%

Артикул

Название

Примечание

Количество

1

08017-32810

CONDUIT

2

08034-00536

BAND

3

207-62-62741

HOSE¤ 3050MM

4

20Y-62-41580

HOSE¤ 4050MM

5

20Y-62-41590

HOSE¤ 4200MM

6

20Y-62-41690

HOSE¤ 2900MM

7

20Y-62-22790

BAND¤ RED

8

20Y-62-22820

BAND¤ BLUE

9

20Y-62-22850

BAND¤ GREEN

10

02760-00211

HOSE

11

08034-00519

BAND

12

20Y-62-22790

BAND¤ RED

13

20Y-62-22820

BAND¤ BLUE

14

20Y-62-42251

HOSE¤ 1250MM

Выбрано товаров: 14