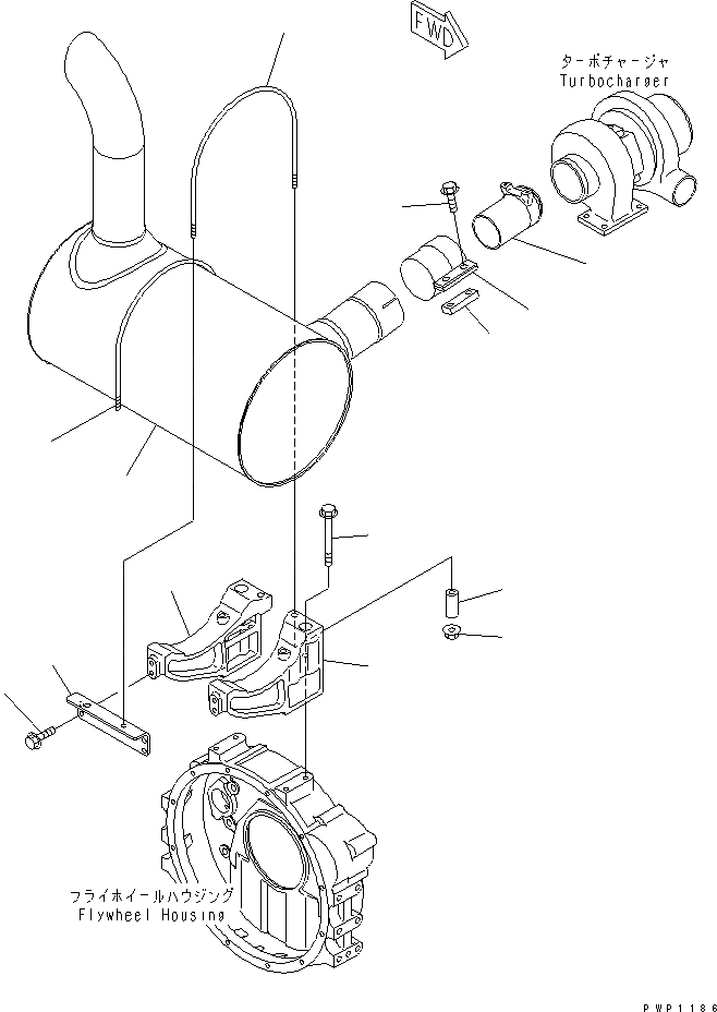
Запчасти Komatsu PC240NLC-7K ГЛУШИТЕЛЬ И КРЕПЛЕНИЕ КОМПОНЕНТЫ ДВИГАТЕЛЯ

Схема запчастей Komatsu PC240NLC-7K - ГЛУШИТЕЛЬ И КРЕПЛЕНИЕ КОМПОНЕНТЫ ДВИГАТЕЛЯ
1
2
2
3
4
5
6
7
8
9
10
11
12
13
FIT
1:1
100%

Артикул

Название

Примечание

Количество

1

6738-11-5520

MUFFLER

2

6738-11-5940

U-BOLT

3

6134-11-5120

SPACER

4

01594-01008

NUT

5

6210-11-5232

CLAMP

6

6206-11-5850

PLATE

7

01435-01235

BOLT

8

6738-11-5310

BRACKET

9

6738-11-5320

BRACKET

10

01435-01095

BOLT

11

6738-11-5330

BRACKET

12

01435-01020

BOLT

13

6735-11-5611

TUBE

Выбрано товаров: 13