Запчасти Komatsu PC240NLC-8K КЛАПАН ПЕРЕГРУЗКИ СТРЕЛЫ (СТРЕЛА И РУКОЯТЬ) (ЦИЛИНДР РУКОЯТИ ) (/) (ДЛЯ 2-СЕКЦИОНН. СТРЕЛЫ) H ГИДРАВЛИКА

Схема запчастей Komatsu PC240NLC-8K - КЛАПАН ПЕРЕГРУЗКИ СТРЕЛЫ (СТРЕЛА И РУКОЯТЬ) (ЦИЛИНДР РУКОЯТИ ) (/) (ДЛЯ 2-СЕКЦИОНН. СТРЕЛЫ) H ГИДРАВЛИКА
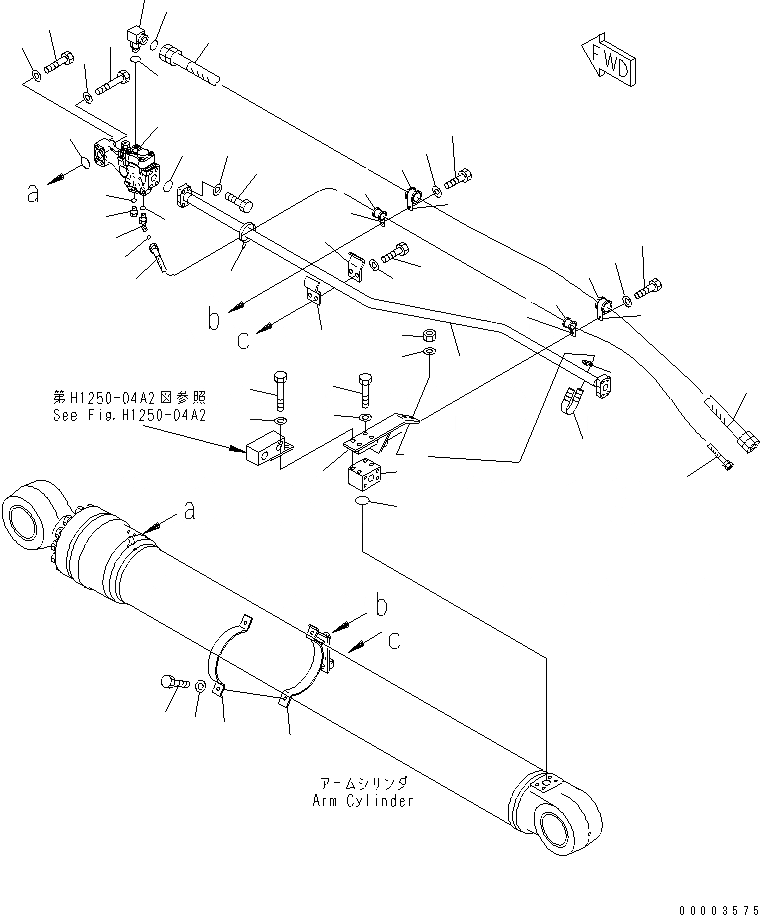
1
2
3
4
5
6
7
8
9
10
11
12
13
14
15
16
17
18
19
19
20
20
21
22
23
24
25
26
27
28
29
30
30
31
31
32
33
34
35
36
37
38
38
39
39
40
40
41
41
42
42
43
43
44
FIT
1:1
100%

Артикул

Название

Примечание

Количество

1

702-21-08341

PILOT VALVE

|1

702-21-08340

PILOT VALVE

2

07372-21060

BOLT

3

01643-51032

WASHER

4

07372-21050

BOLT

5

01643-51032

WASHER

6

07000-13030

O-RING

7

206-62-73440

ELBOW

8

07002-12034

O-RING

9

02896-11018

O-RING

10

02782-10311

ELBOW

11

07002-11423

O-RING

12

02896-11009

O-RING

13

07040-11409

PLUG

14

07002-11423

O-RING

15

206-62-K2510

TUBE

16

07372-21035

BOLT

17

01643-51032

WASHER

18

07000-13030

O-RING

19

02762-00617

HOSE

20

02762-00317

HOSE

21

206-62-73310

BRACKET

22

707-88-21320

BAND

23

01010-81035

BOLT

24

01643-31032

WASHER

25

20D-62-17860

ELBOW

26

07000-13035

O-RING

27

707-88-11560

PLATE

28

01010-81075

BOLT

29

01010-81085

BOLT

30

01643-31032

WASHER

31

20Y-62-13650

CLAMP

32

01010-81230

BOLT

33

01643-31232

WASHER

34

07283-32746

CLIP

35

07283-52737

SEAT

36

01597-01009

NUT

37

01643-31032

WASHER

38

04434-51712

CLIP

39

07095-20211

CUSHION

40

04434-53412

CLIP

41

07095-20627

CUSHION

42

01010-81225

BOLT

43

01643-31232

WASHER

44

08034-40521

BAND

Выбрано товаров: 0