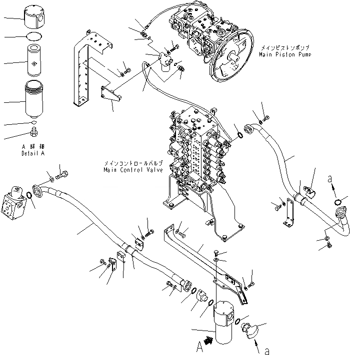
Запчасти Komatsu PC240NLC-8K НАВЕСНОЕ ОБОРУД-Е (ВОЗВРАТ. И ГЛАВНЫЙ ФИЛЬТР) (ДЛЯ -АКТУАТОР) H ГИДРАВЛИКА

Схема запчастей Komatsu PC240NLC-8K - НАВЕСНОЕ ОБОРУД-Е (ВОЗВРАТ. И ГЛАВНЫЙ ФИЛЬТР) (ДЛЯ -АКТУАТОР) H ГИДРАВЛИКА
1
1
2
3
4
5
6
7
8
9
10
11
12
13
14
15
16
17
18
19
19
20
21
22
23
24
24
25
26
27
28
29
30
31
32
32
33
34
35
36
37
38
39
40
41
42
43
44
45
45
46
46
47
47
48
49
FIT
1:1
100%

Артикул

Название

Примечание

Количество

|1

20Y-970-2700

FILTER ASSEMBLY

1

HEAD

2

CASE

3

PLUG

4

20Y-970-1820

ELEMENT

5

07000-12014

O-RING

6

07000-12115

O-RING

7

20Y-62-43351

FLANGE

8

07002-14234

O-RING

9

20Y-62-43361

ELBOW

10

07002-14234

O-RING

11

01010-81230

BOLT

12

01643-31232

WASHER

13

20Y-62-51280

FRAME

14

01010-81225

BOLT

15

01643-31232

WASHER

16

01010-81230

BOLT

17

01643-31232

WASHER

18

20Y-62-43311

HOSE, 1450MM

19

07000-13038

O-RING

20

01010-81035

BOLT

21

01643-31032

WASHER

22

01010-81035

BOLT

23

01643-31032

WASHER

24

07094-11024

CLAMP

25

07095-01038

CUSHION

26

01010-81280

BOLT

27

01643-31232

WASHER

28

20Y-62-43320

BRACKET

29

01010-81225

BOLT

30

01643-31232

WASHER

31

20Y-62-51321

HOSE

32

07000-13038

O-RING

33

01010-81035

BOLT

34

01643-31032

WASHER

35

01010-81040

BOLT

36

01643-31032

WASHER

37

07095-01241

CUSHION

38

21K-62-72810

CLAMP

39

01010-81225

BOLT

40

01643-31232

WASHER

41

20Y-62-51681

FILTER ASSEMBLY

42

20Y-62-51781

BRACKET

43

01010-81075

BOLT

44

01643-31032

WASHER

45

02782-10214

ELBOW

46

07002-12034

O-RING

47

02896-11008

O-RING

48

01010-81225

BOLT

49

01643-31232

WASHER

Выбрано товаров: 0