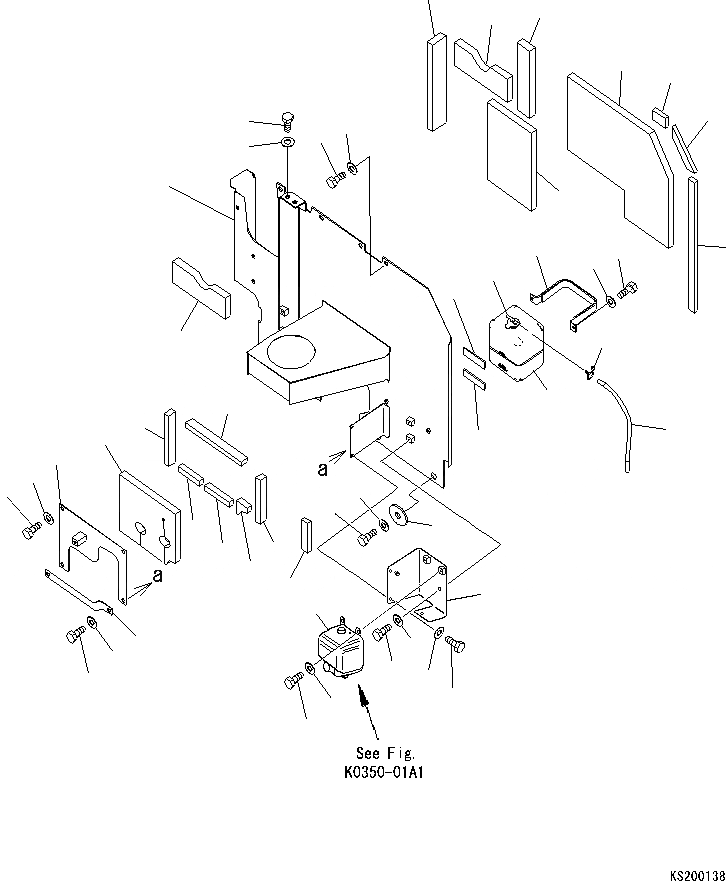
Запчасти Komatsu PC240NLC-8K ПЕРЕГОРОДКА. (ЛЕВ.) (С КОНДИЦИОНЕРОМ) (РАЗРУШ. ЗДАНИЙ ОСНОВ.) M ЧАСТИ КОРПУСА

Схема запчастей Komatsu PC240NLC-8K - ПЕРЕГОРОДКА. (ЛЕВ.) (С КОНДИЦИОНЕРОМ) (РАЗРУШ. ЗДАНИЙ ОСНОВ.) M ЧАСТИ КОРПУСА
11
15
5
2
6
40
39
39
40
1
3
34
4
33
7
7
32
38
36
35
37
14
12
29
30
31
31
30
28
27
26
41
43
42
10
9
18
19
20
13
8
23
25
24
17
16
21
22
FIT
1:1
100%

Артикул

Название

Примечание

Количество

|1

20Y-54-72312

COVER

1

COVER

2

20Y-54-71970

SHEET

3

20Y-54-71980

SHEET

4

20Y-54-72260

SHEET

5

20Y-54-72270

SHEET

6

20Y-54-72280

SHEET

7

205-03-71440

SHEET

8

20Y-54-71590

SHEET

9

20Y-54-71680

SHEET

10

20Y-54-71790

SHEET

11

20Y-54-72510

SHEET

12

20Y-54-72520

SHEET

13

20Y-54-72540

SHEET

14

20Y-54-72550

SHEET

15

20Y-54-72830

SHEET

|16

20Y-54-71612

COVER

16

COVER

17

20Y-54-71632

SHEET

18

20Y-54-71641

SHEET

19

20Y-54-71651

SHEET

20

20Y-54-71661

SHEET

21

01010-81225

BOLT

22

01643-31232

WASHER

23

20Y-54-71670

PLATE

24

01010-81225

BOLT

25

01643-31232

WASHER

26

14X-911-1160

TANK ASSEMBLY

27

01010-80616

BOLT

28

01643-30623

WASHER

29

20Y-06-41740

BRACKET

30

01010-80616

BOLT

31

01643-30623

WASHER

32

20Y-06-15240

TANK ASSEMBLY

33

205-03-71532

CAP

|33

205-03-71540

PACKING

34

203-03-56650

BRACKET

35

01010-80820

BOLT

36

01643-30823

WASHER

37

20Y-03-41880

HOSE

38

206-03-43340

CLIP

39

01010-81230

BOLT

40

01643-31232

WASHER

41

205-54-76411

COLLAR

42

01010-81230

BOLT

43

01643-31232

WASHER

Выбрано товаров: 46