Запчасти Komatsu PC240NLC-8K МЕХАНИЗМ ПОВОРОТА (GAUGE И ДРЕНАЖН. ТРУБЫ)(№K-.) N ПОВОРОТН. КРУГ И КОМПОНЕНТЫ

Схема запчастей Komatsu PC240NLC-8K - МЕХАНИЗМ ПОВОРОТА (GAUGE И ДРЕНАЖН. ТРУБЫ)(№K-.) N ПОВОРОТН. КРУГ И КОМПОНЕНТЫ
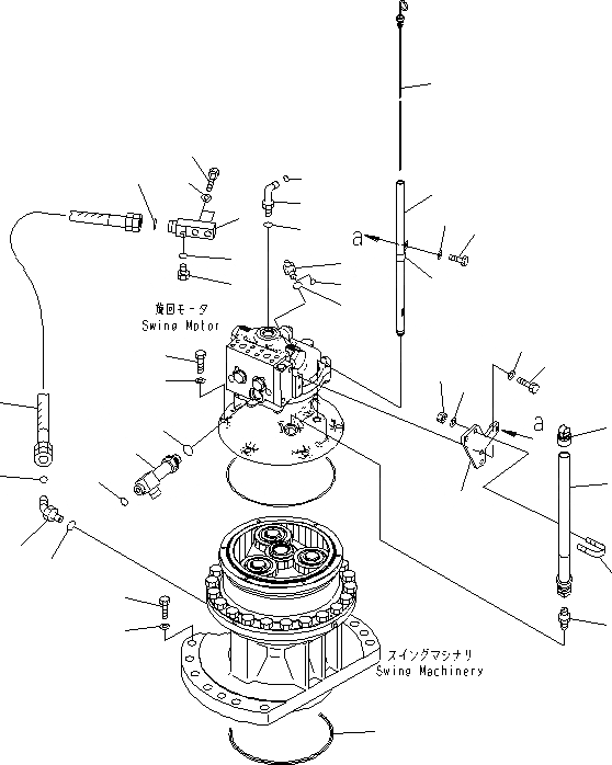
1
2
3
3
4
5
6
7
8
9
10
11
12
13
14
15
16
17
18
19
20
21
22
23
24
25
26
27
28
29
30
31
32
33
34
35
36
37
FIT
1:1
100%

Артикул

Название

Примечание

Количество

1

02783-10522

ELBOW

2

07002-12434

O-RING

3

02896-11015

O-RING

4

02762-005A5

HOSE

5

20Y-26-31211

ELBOW

6

07040-11409

PLUG

7

07002-11423

O-RING

8

01010-81035

BOLT

9

01643-51032

WASHER

10

20Y-26-31450

TUBE

11

20Y-26-31421

FILLER

12

20Y-26-31431

GAUGE

13

20Y-26-31460

BRACKET

14

22U-26-21460

CAP

15

07238-10630

CONNECTOR

16

07283-32738

CLIP

17

04434-51710

CLIP

18

01597-01009

NUT

19

01643-31032

WASHER

20

01010-81030

BOLT

21

01643-31032

WASHER

22

01010-81025

BOLT

23

01643-31032

WASHER

24

20Y-62-41940

ELBOW

25

02896-11015

O-RING

26

07002-12434

O-RING

27

11Y-62-12160

ELBOW

28

02896-11008

O-RING

29

07002-11423

O-RING

30

02782-10630

ELBOW

31

02896-11018

O-RING

32

07002-12434

O-RING

33

07000-15250

O-RING

34

01010-82070

BOLT

35

01643-32060

WASHER

36

01010-81250

BOLT

37

01643-31232

WASHER

Выбрано товаров: 37