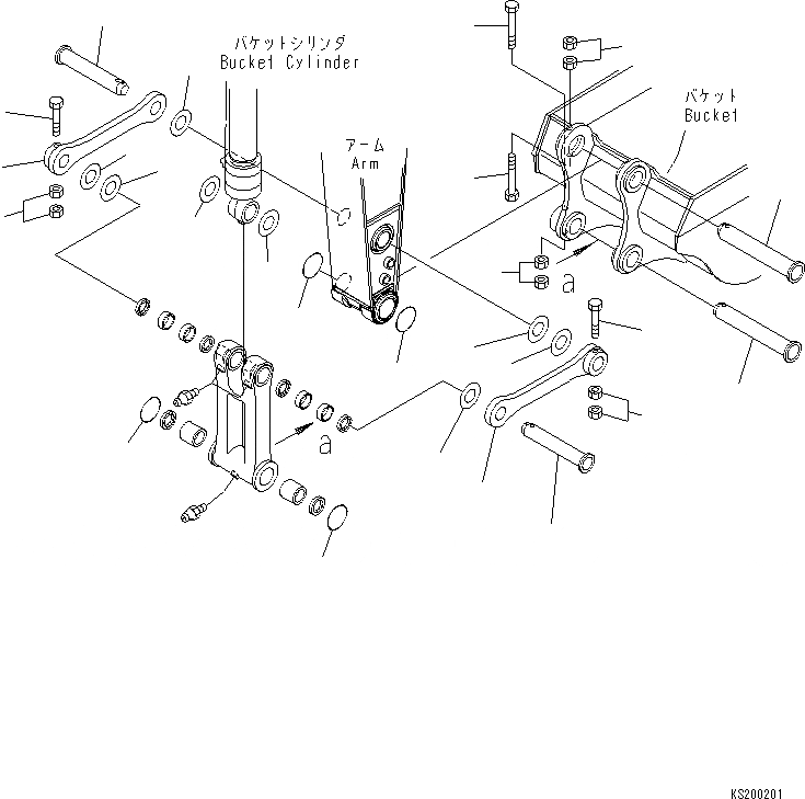
Запчасти Komatsu PC240NLC-8K РУКОЯТЬ (СОЕДИНЕНИЕ КОВША) (№K-K9) T РАБОЧЕЕ ОБОРУДОВАНИЕ

Схема запчастей Komatsu PC240NLC-8K - РУКОЯТЬ (СОЕДИНЕНИЕ КОВША) (№K-K9) T РАБОЧЕЕ ОБОРУДОВАНИЕ
2
8
1
9
11
10
6
11
11
18
18
18
11
1
7
18
5
6
4
12
3
14
16
13
17
15
FIT
1:1
100%

Артикул

Название

Примечание

Количество

1

206-70-57120

LINK

2

206-70-53143

PIN

3

20Y-70-32450

BOLT

4

01580-12016

NUT

5

20Y-70-31411

SPACER, 1MM

|5

20Y-70-31410

SPACER, 1MM

|5

20Y-70-11340

SPACER, 0.8MM

6

20Y-70-31421

SPACER, 2MM

|6

20Y-70-31420

SPACER, 2MM

|6

205-70-51530

SPACER, 1.5MM

7

206-70-53143

PIN

8

20Y-70-32450

BOLT

9

01580-12016

NUT

10

206-70-71541

SPACER, 1MM

|10

206-70-71540

SPACER, 1MM

|10

20Y-70-11340

SPACER, 0.8MM

11

206-70-71551

SPACER, 2MM

|11

206-70-71550

SPACER, 2MM

|11

205-70-51530

SPACER, 1.5MM

12

205-70-73270

PIN

13

205-70-73190

BOLT

14

01580-12016

NUT

15

205-70-73270

PIN

16

20Y-70-32460

BOLT

17

01580-12016

NUT

18

205-70-73280

O-RING

Выбрано товаров: 26