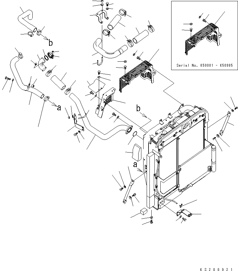
Запчасти Komatsu PC240NLC-8K СИСТЕМА ОХЛАЖДЕНИЯ (ТРУБКИ ПОСЛЕОХЛАДИТЕЛЯ) C СИСТЕМА ОХЛАЖДЕНИЯ

Схема запчастей Komatsu PC240NLC-8K - СИСТЕМА ОХЛАЖДЕНИЯ (ТРУБКИ ПОСЛЕОХЛАДИТЕЛЯ) C СИСТЕМА ОХЛАЖДЕНИЯ
34
33
29
27
28
15
16
55
57
58
46
47
41
1
2
16
18
20
21
19
22
36
35
37
4
38
39
17
18
9
14
13
3
4
30
56
54
41
2
40
60
59
29
60
59
31
32
33
34
12
10
11
5
8
7
26
25
24
23
43
42
48
53
51
52
44
45
50
42
43
23
25
24
49
6
FIT
1:1
100%

Артикул

Название

Примечание

Количество

1

206-03-21151

HOSE

2

07299-00070

CLAMP

3

20Y-03-41181

HOSE

4

21T-62-69711

CLAMP

5

206-03-21621

TUBE

6

07000-E2065

O-RING

7

01010-81030

BOLT

8

01643-31032

WASHER

9

206-03-21651

BRACKET

10

01010-81230

BOLT

11

01643-31232

WASHER

12

07283-37060

CLIP

13

01643-31032

WASHER

14

01597-01009

NUT

15

20Y-03-41141

HOSE

16

07289-00055

CLAMP

17

206-03-21611

HOSE

18

07289-00055

CLAMP

19

208-62-38370

CLIP

20

01010-81035

BOLT

21

01643-31032

WASHER

22

201-03-29160

SPACER

23

20Y-03-32660

STAY

24

01010-81635

BOLT

25

01643-31645

WASHER

26

20Y-03-41611

GUARD

27

01010-81025

BOLT

28

01643-31032

WASHER

29

20Y-03-42320

GUARD

|29

20Y-03-41622

GUARD

30

20Y-03-41811

BRACKET

31

01010-81020

BOLT

32

01643-31032

WASHER

33

01010-81025

BOLT

|33

01010-81025

BOLT

34

01643-31032

WASHER

|34

01643-31032

WASHER

35

6738-11-4320

PIPE

36

07043-70108

PLUG

37

6738-11-4370

O-RING

38

6738-11-4380

CLAMP

39

6738-11-4390

NUT

40

20Y-03-41161

HOSE

41

21T-62-69711

CLAMP

42

01010-81635

BOLT

43

21T-54-16150

WASHER

44

01010-81640

BOLT

45

01643-31645

WASHER

46

01010-81030

BOLT

47

01643-31032

WASHER

48

206-03-43340

CLIP

49

206-03-21371

SHEET

50

20Y-03-41831

SHEET

51

20Y-62-51481

BRACKET

52

01010-81225

BOLT

53

01643-31232

WASHER

54

20Y-03-41171

TUBE

55

20Y-03-41740

BRACKET

56

07283-37060

CLIP

57

01643-31032

WASHER

58

01597-01009

NUT

59

01026-A1025

BOLT

60

17M-911-6330

GROMMET

Выбрано товаров: 63