Запчасти Komatsu PC240NLC-8K ОСНОВН. НАСОС (/) Y ОСНОВН. КОМПОНЕНТЫ И РЕМКОМПЛЕКТЫ

Схема запчастей Komatsu PC240NLC-8K - ОСНОВН. НАСОС (/) Y ОСНОВН. КОМПОНЕНТЫ И РЕМКОМПЛЕКТЫ
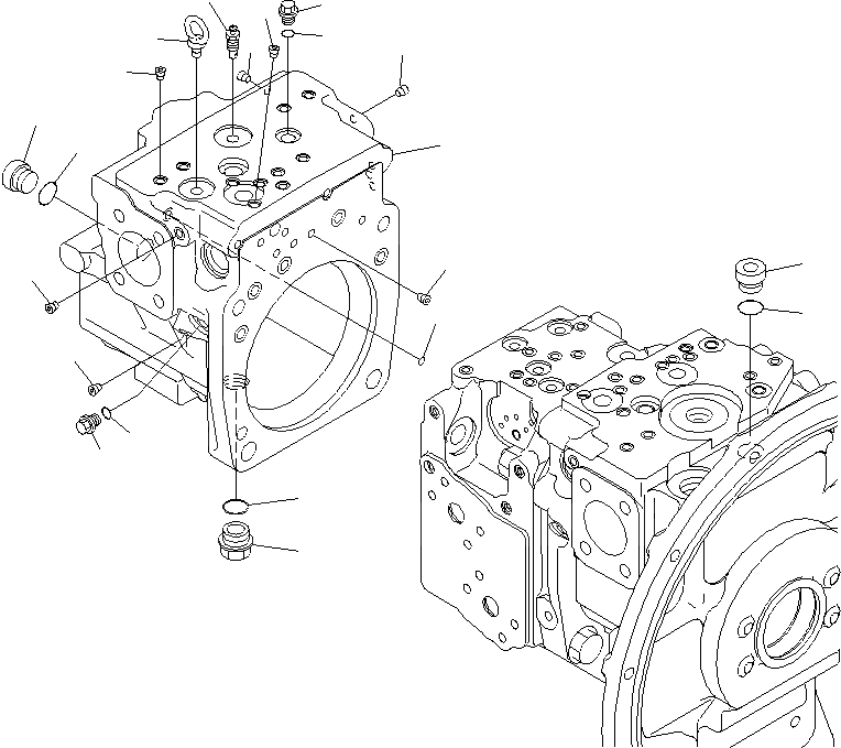
1
2
2
2
2
2
2
2
3
4
5
6
7
8
8
9
9
10
10
11
11
FIT
1:1
100%

Артикул

Название

Примечание

Количество

|1

708-2L-00790

PUMP ASSEMBLY

|1

708-2L-00600

PUMP ASSEMBLY

|1

708-2L-01600

PUMP SUB ASSEMBLY

|1

708-2L-06460

CASE ASSEMBLY, REAR

1

CASE, REAR

2

PLUG

3

07000-B1009

O-RING

4

07044-12412

PLUG

5

07002-62434

O-RING

6

04530-11222

BOLT, EYE

7

20B-27-11210

BLEEDER

8

708-8E-16150

PLUG

9

07002-61023

O-RING

10

07040-12414

PLUG

11

07002-62434

O-RING

Выбрано товаров: 0