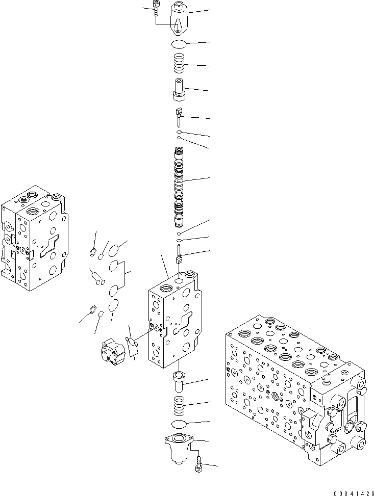
Запчасти Komatsu PC240NLC-8K ОСНОВН. КЛАПАН (ДЛЯ 2-СЕКЦИОНН. СТРЕЛЫ) ( АКТУАТОР) (/) Y ОСНОВН. КОМПОНЕНТЫ И РЕМКОМПЛЕКТЫ

Схема запчастей Komatsu PC240NLC-8K - ОСНОВН. КЛАПАН (ДЛЯ 2-СЕКЦИОНН. СТРЕЛЫ) ( АКТУАТОР) (/) Y ОСНОВН. КОМПОНЕНТЫ И РЕМКОМПЛЕКТЫ
10
8
9
7
6
3
4
5
2
5
4
3
1
15
13
16
17
16
13
15
12
14
11
6
7
9
8
10
FIT
1:1
100%

Артикул

Название

Примечание

Количество

|1

723-48-23802

VALVE ASSEMBLY

|1

723-48-23800

VALVE ASSEMBLY

|1

BODY SUB ASSEMBLY

1

BLOCK, VALVE

2

SPOOL

3

723-46-15130

PLUG

4

07002-10823

O-RING

5

708-7T-16460

BALL

6

723-46-15120

RETAINER

7

723-46-14110

SPRING

8

723-46-15111

CASE

9

07430-71380

O-RING

10

01252-60820

BOLT

11

07000-11009

O-RING

12

07000-12021

O-RING

13

723-11-19130

O-RING

14

07000-13032

O-RING

15

723-46-17510

O-RING

16

723-46-17520

RING, BACK-UP

17

723-46-17530

O-RING

Выбрано товаров: 20