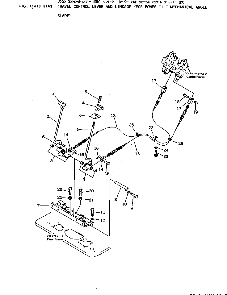
Запчасти Komatsu PC25-1 РЫЧАГ УПРАВЛ-Я ХОДОМ (ДЛЯ НАКЛОНЯЕМ. МЕХАНИЧ. ОТВАЛ С ИЗМ. УГЛОМ ПОВОРОТА) КАБИНА ОПЕРАТОРА И СИСТЕМА УПРАВЛЕНИЯ

Схема запчастей Komatsu PC25-1 - РЫЧАГ УПРАВЛ-Я ХОДОМ (ДЛЯ НАКЛОНЯЕМ. МЕХАНИЧ. ОТВАЛ С ИЗМ. УГЛОМ ПОВОРОТА) КАБИНА ОПЕРАТОРА И СИСТЕМА УПРАВЛЕНИЯ
FIT
1:1
100%

Артикул

Название

Примечание

Количество

1

20T-43-72111

LEVER,L.H.

2

20T-43-72121

LEVER,R.H.

3

195-61-34130

BEARING

4

203-43-41340

KNOB

5

01225-70620

SCREW

6

20S-43-11230

COVER

7

20T-43-72171

BRACKET

8

205-43-73280

SHAFT

9

01010-50616

BOLT

10

01643-30623

WASHER

11

01010-51030

BOLT

12

01643-31032

WASHER

13

20T-43-72190

CABLE

14

04210-20832

YOKE

15

04205-10822

PIN

16

04050-12015

PIN,COTTER

17

21E-43-12191

YOKE

18

04205-10520

PIN

19

04052-10530

PIN,SNAP

20

01016-50830

BOLT

21

01580-10806

NUT

22

08036-91214

CLIP

23

01010-51020

BOLT

24

01643-31032

WASHER

25

08034-00519

BAND

Выбрано товаров: 25