Запчасти Komatsu PC250-6 ОСНОВН. КЛАПАН (-АКТУАТОР) (/) ОСНОВН. КОМПОНЕНТЫ И РЕМКОМПЛЕКТЫ

Схема запчастей Komatsu PC250-6 - ОСНОВН. КЛАПАН (-АКТУАТОР) (/) ОСНОВН. КОМПОНЕНТЫ И РЕМКОМПЛЕКТЫ
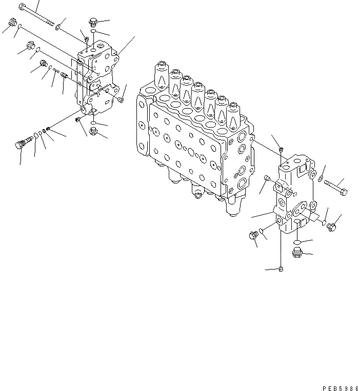
1
2
2
3
4
5
5
6
7
7
7
7
7
8
8
8
8
8
9
10
11
12
13
14
15
16
17
18
19
20
21
22
23
23
24
FIT
1:1
100%

Артикул

Название

Примечание

Количество

|$3

723-47-14901

VALVE ASS'Y

|$4

723-47-14900

VALVE ASS'Y

|$5

723-47-13503

VALVE ASS'Y

|$7

723-46-00640

COVER ASS'Y

1

COVER,A

2

PLUG

3

PLUG

|$11

723-46-00620

COVER ASS'Y

4

COVER,B

5

PLUG

6

PLUG

7

PLUG

8

07002-11823

O-RING

9

708-8H-11530

PLUG

10

07002-11423

O-RING

|$19

723-46-15100

PLUG ASS'Y

11

PLUG

12

SCREW

13

07002-11423

O-RING

14

07000-11007

O-RING

15

07001-01007

RING,BACK-UP

16

723-46-15190

VALVE

17

723-46-14140

SPRING

18

708-8E-16160

PLUG

19

07002-11023

O-RING

20

709-74-91860

PLUG

21

07002-12434

O-RING

22

01010-61490

BOLT

23

01643-31445

WASHER

24

01011-61455

BOLT

Выбрано товаров: 30