Запчасти Komatsu PC250HD-6Z НАВЕСНОЕ ОБОРУД-Е ( АКТУАТОР) (КЛАПАН) ГИДРАВЛИКА

Схема запчастей Komatsu PC250HD-6Z - НАВЕСНОЕ ОБОРУД-Е ( АКТУАТОР) (КЛАПАН) ГИДРАВЛИКА
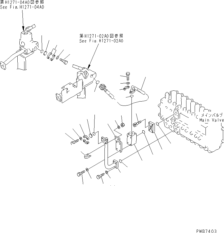
1
2
3
4
5
6
7
8
9
10
10
11
12
13
14
15
16
17
18
19
20
21
21
22
22
23
23
24
24
25
25
FIT
1:1
100%

Артикул

Название

Примечание

Количество

1

20Y-62-25120

PLATE

2

01252-41025

BOLT

3

21T-09-11470

O-RING

4

20Y-62-25110

BLOCK

5

21T-09-11450

O-RING

6

20Y-62-25110

BLOCK

7

01010-81095

BOLT

8

01643-31032

WASHER

9

07098-01009

HOSE

10

07000-13032

O-RING

11

07371-31049

FLANGE

12

07372-21035

BOLT

13

01643-51032

WASHER

14

20Y-62-25131

TUBE

15

21T-09-11460

O-RING

16

01010-81040

BOLT

17

01643-51032

WASHER

18

07283-22738

CLIP

19

01599-01011

NUT

20

01643-31032

WASHER

21

07378-11000

HEAD

22

07000-13032

O-RING

23

07371-31049

FLANGE

24

07372-21035

BOLT

25

01643-51032

WASHER

Выбрано товаров: 0