Запчасти Komatsu PC250LC-6 КОНДИЦ. ВОЗДУХА (ОБОГРЕВ. ЛИНИЯ И ВОЗДУХОВОДЫ) КАБИНА ОПЕРАТОРА И СИСТЕМА УПРАВЛЕНИЯ

Схема запчастей Komatsu PC250LC-6 - КОНДИЦ. ВОЗДУХА (ОБОГРЕВ. ЛИНИЯ И ВОЗДУХОВОДЫ) КАБИНА ОПЕРАТОРА И СИСТЕМА УПРАВЛЕНИЯ
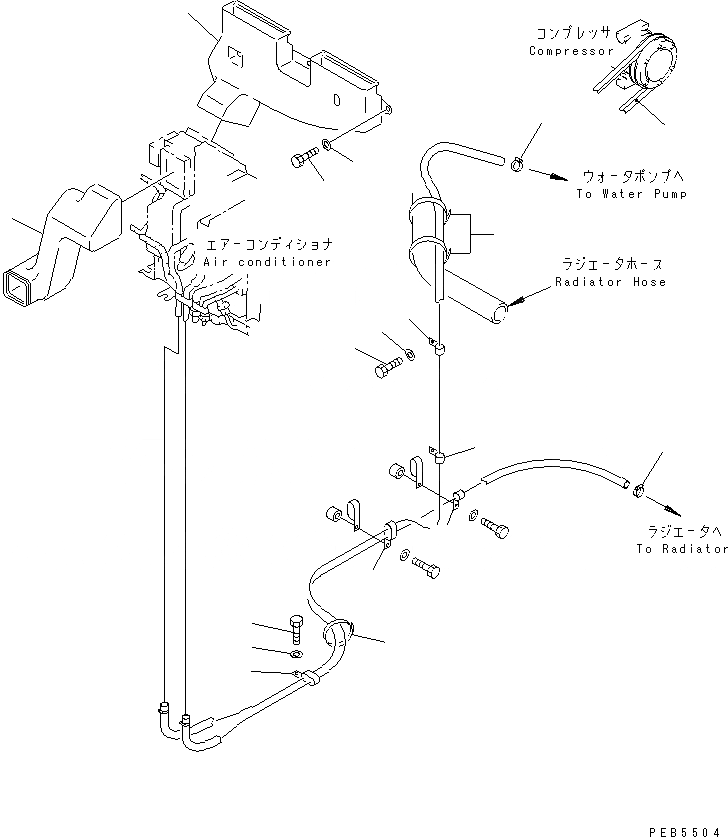
1
2
3
4
5
5
5
6
7
8
8
9
10
11
12
13
14
15
FIT
1:1
100%

Артикул

Название

Примечание

Количество

1

141-06-11220

CLIP

2

01010-81230

BOLT

3

01643-31232

WASHER

4

141-06-11220

CLIP

5

04434-52112

CLIP

6

01010-81025

BOLT

7

01643-31032

WASHER

8

11Y-09-11160

CLIP

8

09480-10100

CLAMP

9

08034-00536

BAND

10

08034-00519

BAND

11

04120-21739

V-BELT

12

01010-81025

BOLT

13

01643-31032

WASHER

14

20Y-979-2262

DUCT

15

20Y-979-2271

DUCT

Выбрано товаров: 0