Запчасти Komatsu PC250LC-6L FIG NO. K-AA КЛАПАН PPC(ХОД) КАБИНА ОПЕРАТОРА И СИСТЕМА УПРАВЛЕНИЯ

Схема запчастей Komatsu PC250LC-6L - FIG NO. K-AA КЛАПАН PPC(ХОД) КАБИНА ОПЕРАТОРА И СИСТЕМА УПРАВЛЕНИЯ
33
32
31
34
30
29
30
2
34
2
31
32
1
33
3
4
5
2
7
6
2
8
11
10
9
23
28
27
24
13
15
16
13
26
12
25
22
21
16
20
14
15
24
27
19
14
18
22
25
28
26
17
15
FIT
1:1
100%

Артикул

Название

Примечание

Количество

|$0

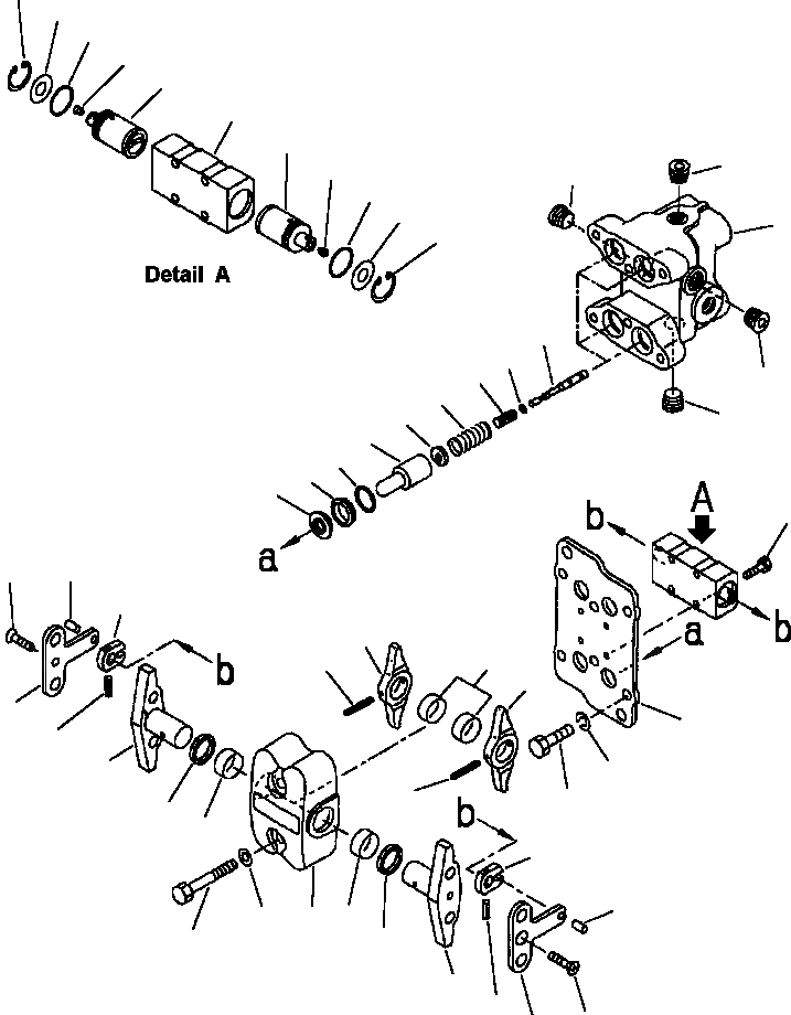
702-16-01220

PILOT VALVE ASSEMBLY

1

702-16-54440

BODY

2

07043-50312

PLUG

3

702-16-53120

VALVE

4

702-16-51140

SHIM, 0.3MM

5

702-16-53420

SPRING

6

702-16-53140

RETAINER

7

702-16-54420

SPRING

8

702-16-53170

PISTON

9

702-16-51270

SEAL

10

702-16-54170

COLLAR

11

07000-02020

O-RING

12

702-16-54460

PLATE

13

702-16-54121

LEVER

14

702-16-54280

SEAL

15

702-16-54430

BUSHING

16

04025-00432

PIN

17

702-16-54310

CASE

18

01010-50855

BOLT

19

01643-30823

WASHER

20

01010-50816

BOLT

21

702-16-54351

SHIM, 1.0MM

|$22

702-16-54341

SHIM, 1.3MM

|$23

702-16-54331

SHIM, 1.6MM

22

702-16-54450

SHAFT

23

01252-30525

BOLT

24

702-16-54510

PLATE

25

04025-00420

PIN

26

702-16-54520

LEVER

27

702-16-54530

PIN

28

01224-40612

SCREW

|$31

702-16-54500

DAMPER

29

702-16-54470

CASE

30

702-16-54480

PISTON

31

07000-12018

O-RING

32

01640-21016

WASHER

33

04065-02212

RING

34

702-16-54490

PLUG

Выбрано товаров: 0