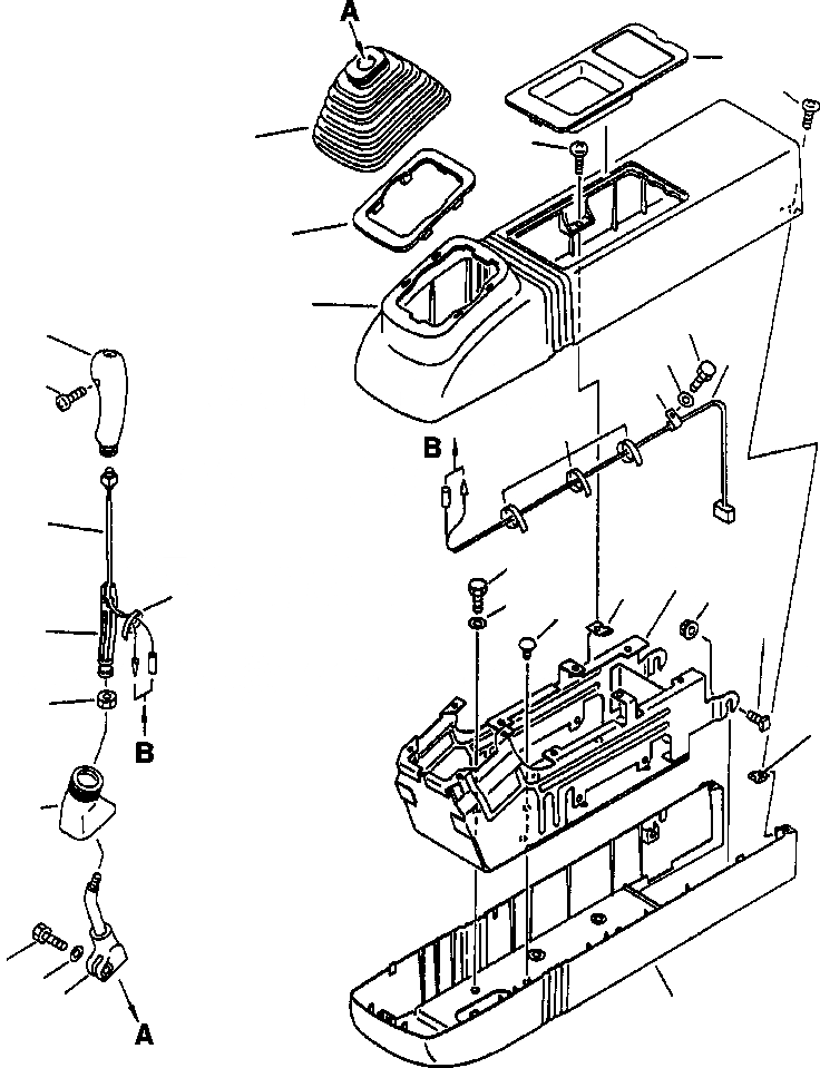
Запчасти Komatsu PC250LC-6LC FIG NO. K- ПРАВ. СТОЙКА (РЫЧАГ И COVER) КАБИНА ОПЕРАТОРА И СИСТЕМА УПРАВЛЕНИЯ

Схема запчастей Komatsu PC250LC-6LC - FIG NO. K- ПРАВ. СТОЙКА (РЫЧАГ И COVER) КАБИНА ОПЕРАТОРА И СИСТЕМА УПРАВЛЕНИЯ
13
12
6
12
5
11
16
2
14
17
1
18
4
25
20
23
24
10
22
3
9
23
8
27
28
7
19
15
26
21
FIT
1:1
100%

Артикул

Название

Примечание

Количество

|$0

20Y-43-22790

LEVER ASSEMBLY, RH, RIGHT STAND

|$1

20Y-43-22241

KNOB

1

01370-10308

SCREW

2

20Y-43-22390

KNOB, RH

3

20Y-43-22420

INSERT

4

20Y-43-22440

SWITCH, RH

5

20Y-43-22250

PLATE

6

20Y-43-22261

BOOT

7

20Y-43-22820

LEVER, RH

8

20Y-43-22830

BOOT

9

600-411-1280

NUT

10

08034-00310

BAND

11

20Y-43-22121

CASE

12

20Y-43-16590

SCREW

13

20Y-43-22860

COVER, RH

14

20Y-06-21350

HARNESS, WIRING

15

424-06-12850

CLIP

16

01010-50820

BOLT

17

01643-30823

WASHER

18

08034-00519

BAND

|$20

20Y-43-21651

COVER ASSEMBLY

19

20Y-43-22111

CASE

20

20Y-43-22131

FRAME

21

20Y-43-22310

CLIP

22

20Y-43-22470

BOLT

23

20Y-43-22480

SPRING

24

198-911-5530

NUT

NI

20Y-43-28290

SHEET

NI

20Y-43-28310

SHEET

25

01010-51030

BOLT

26

01643-31032

WASHER

27

01252-41025

BOLT

28

01643-51032

WASHER

Выбрано товаров: 33