Запчасти Komatsu PC250LC-6LC FIG NO. H- ГИДР. БАК. (С ДАТЧИКОМ) ГИДРАВЛИКА

Схема запчастей Komatsu PC250LC-6LC - FIG NO. H- ГИДР. БАК. (С ДАТЧИКОМ) ГИДРАВЛИКА
37
43
42
40
17
41
38
18
11
35
39
15
36
33
23
16
34
24
19
30
10
29
20
31
14
28
13
21
12
31
22
32
2
3
2
26
27
25
46
47
6
1
7
9
8
5
45
44
4
FIT
1:1
100%

Артикул

Название

Примечание

Количество

|$0

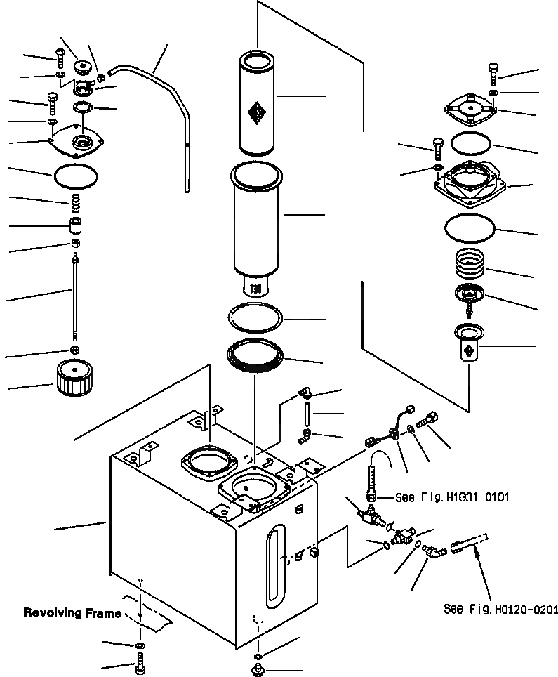
20Y-60-00061

TANK ASSEMBLY, HYDRAULIC

1

20Y-60-21113

TANK, HYDRAULIC

2

208-04-19130

ELBOW

3

203-60-31160

TUBE

4

07044-12412

PLUG

5

07002-02434

O-RING

6

20Y-966-2970

TEE

7

07002-02434

O-RING

8

07236-10628

ELBOW

9

07002-02434

O-RING

10

20Y-60-21211

CASE

11

07063-01210

ELEMENT, HYDRAULIC TANK

12

206-60-41221

STRAINER, HYDRAULIC TANK

13

12R-60-11300

VALVE ASSEMBLY

14

20Y-60-21240

SPRING

15

20Y-60-21250

COVER

16

07000-05165

O-RING

17

01010-51240

BOLT

18

01643-31232

WASHER

19

20Y-60-21220

HEAD

20

07000-05210

O-RING

21

20Y-60-21230

RING

22

20Y-60-21260

PACKING

23

01010-51240

BOLT

24

01643-31232

WASHER

25

7861-92-4210

SENSOR

26

01252-40612

BOLT

27

01641-20608

WASHER

|$28

20Y-60-21301

STRAINER ASSEMBLY

28

20Y-60-21330

ROD ASSEMBLY

29

20Y-60-21320

HOLDER

30

12R-60-11230

SPRING

31

01580-11008

NUT

32

20Y-60-21311

STRAINER, HYDRAULIC TANK

33

NSS

COVER

34

07000-05180

O-RING

35

01010-51225

BOLT

36

01643-31232

WASHER

37

20Y-60-21440

CAP

38

20Y-60-21460

NECK

39

205-60-51460

GASKET

40

01220-40516

SCREW

41

01601-20513

WASHER

42

07285-00155

CLIP

43

07270-61509

TUBE

44

01010-51635

BOLT

45

01643-31645

WASHER

46

209-62-57210

TEE

47

07002-02034

O-RING

Выбрано товаров: 49