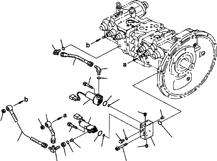
Запчасти Komatsu PC250LC-6LE FIG NO. H- ОСНОВН. НАСОС EPC УПРАВЛЯЮЩ. КЛАПАН ГИДРАВЛИКА

Схема запчастей Komatsu PC250LC-6LE - FIG NO. H- ОСНОВН. НАСОС EPC УПРАВЛЯЮЩ. КЛАПАН ГИДРАВЛИКА
10
9
14
9
8
10
15
16
1
3
12
3
1
11
11
6
5
8
4
15
13
3
2
16
19
20
18
7
17
FIT
1:1
100%

Артикул

Название

Примечание

Количество

|$1

708-2L-04291

BLOCK ASSEMBLY

2

NSS

BLOCK

3

NSS

PLUG

4

708-2L-23970

O-RING

5

07040-11007

PLUG

6

708-2L-23920

O-RING

7

01252-60865

BOLT

8

203-60-62230

BOLT

9

07235-10210

ELBOW

10

708-2L-23950

O-RING

11

01582-11008

NUT

12

708-2L-29410

HOSE

13

708-2L-29420

HOSE

14

708-2L-29430

HOSE

15

708-2L-23960

O-RING

16

07000-B2011

O-RING

17

708-2L-29450

ELBOW

18

01583-51408

NUT

19

708-2L-29460

ORIFICE

20

708-2L-23950

O-RING

Выбрано товаров: 20