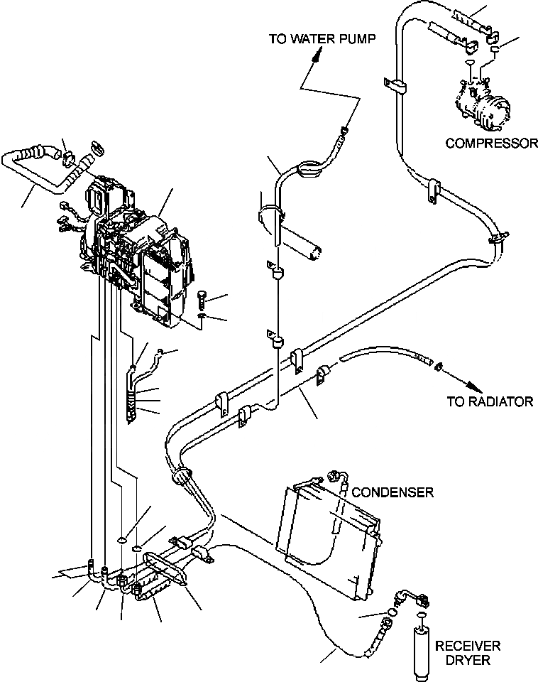
Запчасти Komatsu PC250LC-6LE FIG NO. K7-A КОНДИЦ. ВОЗДУХА - NIPPONDENSO ТРУБЫ - СЕРДЦЕВИНА КАБИНА ОПЕРАТОРА И СИСТЕМА УПРАВЛЕНИЯ

Схема запчастей Komatsu PC250LC-6LE - FIG NO. K7-A КОНДИЦ. ВОЗДУХА - NIPPONDENSO ТРУБЫ - СЕРДЦЕВИНА КАБИНА ОПЕРАТОРА И СИСТЕМА УПРАВЛЕНИЯ
10
11
9
15
1
8
2
3
5
4
6
7
6
14
11
13
16
14
17
13
15
10
12
12
FIT
1:1
100%

Артикул

Название

Примечание

Количество

2

01010-81020

BOLT

3

01643-31032

WASHER

4

20Y-979-3720

HOSE

5

20Y-979-3730

HOSE

6

08034-00519

BAND, WHITE

7

08017-32801

CONDUIT

10

20Y-979-3431

HOSE

11

20Y-979-3130

O-RING

12

20Y-979-2762

HOSE

13

20Y-979-3150

O-RING

14

20Y-979-2382

HOSE

15

20Y-979-2391

HOSE

16

09480-10100

CLAMP

17

08034-00536

BAND, WHITE

Выбрано товаров: 14