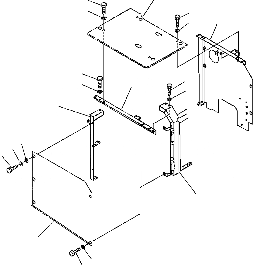
Запчасти Komatsu PC250LC-6LE FIG NO. M-A ПЕРЕГОРОДКА. - С ОБОГРЕВ-ЛЕМ ЧАСТИ КОРПУСА

Схема запчастей Komatsu PC250LC-6LE - FIG NO. M-A ПЕРЕГОРОДКА. - С ОБОГРЕВ-ЛЕМ ЧАСТИ КОРПУСА
1
3
4
3
13
4
6
6
7
5
7
11
10
9
8
12
2
9
8
FIT
1:1
100%

Артикул

Название

Примечание

Количество

1

20Y-54-25461

COVER

2

20Y-54-29481

COVER

3

01010-81230

BOLT

4

175-54-34170

WASHER

5

20Y-54-25371

FRAME

6

01010-81230

BOLT

7

01643-31232

WASHER

8

01010-81230

BOLT

9

01643-31232

WASHER

10

20Y-54-29740

COLLAR

Выбрано товаров: 10