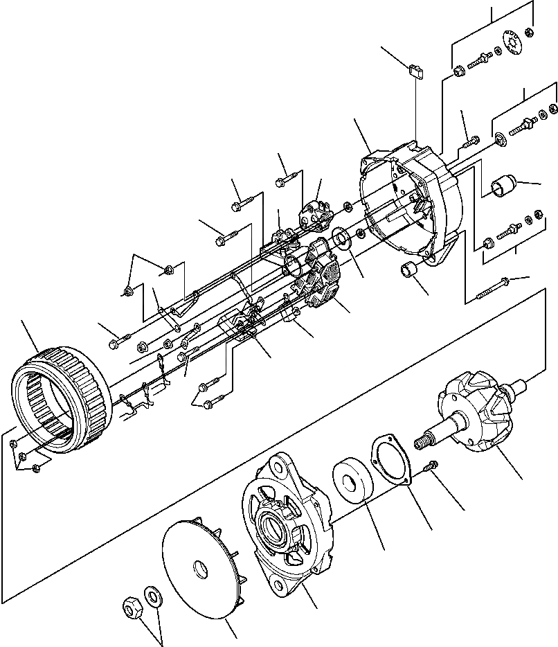
Запчасти Komatsu PC250LC-6LE FIG NO. A9-AA ГЕНЕРАТОР SI - VOLT, 7 AMPERE ДВИГАТЕЛЬ

Схема запчастей Komatsu PC250LC-6LE - FIG NO. A9-AA ГЕНЕРАТОР SI - VOLT, 7 AMPERE ДВИГАТЕЛЬ
29
2
30
28
7
19
18
1
8
15
17
3
31
26
5
16
9
6
18
12
11
10
3
20
14
13
4
24
23
22
21
27
25
FIT
1:1
100%

Артикул

Название

Примечание

Количество

|$0

6742-01-5170

ALTERNATOR - PRODUCTION ONLY

|$1

1316 279 H91

ALTERNATOR - SERVICE ONLY

1

1218 115 H1

REGULATOR-GENERATOR

2

1315 828 H1

COVER

3

1218 126 H1

NUT

4

1316 280 H1

ROTOR-GENERATOR

5

1307 332 H1

CONNECTOR

6

1310 140 H1

STATOR ASSEMBLY

7

1316 281 H1

FRAME, SLIP RING END

8

389 603 C91

ROLLER BEARING

9

1213 242 H1

BUSHING

10

1307 329 H1

DIODE TRIO

11

1307 334 H1

CAPACITOR

12

1315 820 H1

RECTIFIER BRIDGE

13

1316 282 H1

NUT

14

1268 365 H1

SCREW AND WASHER

15

1316 283 H1

BRUSH HOLDER AND BRUSH ASSEMBLY

16

1316 284 H1

WASHER

17

1236 654 H1

SCREW

18

1216 375 H1

SCREW

19

1268 365 H1

SCREW

20

1307 339 H1

SCREW

21

1316 287 H1

FRAME, DRIVE END

22

1213 268 H1

BALL BEARING, DRIVE END

23

1307 337 H1

PLATE

24

1268 363 H1

SCREW

25

VE8211

NUT

26

1316 288 H1

BOLT, THRU

27

1307 576 H1

FAN AND BAFFLE

28

1307 578 H1

SCREW

29

1307 330 H1

TERMINAL PACKAGE - BATTERY

30

1316 285 H1

TERMINAL PACKAGE - RELAY

31

1316 286 H1

TERMINAL PACKAGE - INDICATOR LIGHT

Выбрано товаров: 33