Качественные детали и логистика
Оригинальные и аналоговые запчасти с доставкой по России, Казахстану и Беларуси
©2022 PartSell ООО "Система" ИНН 2463123282 ОГРН 1212400004838
Центральный офис: г. Красноярск, Академика Киренского, д.87, пом.4
Телефон: 8 (800) 777-65-74 Email: zakaz@partsell.ru
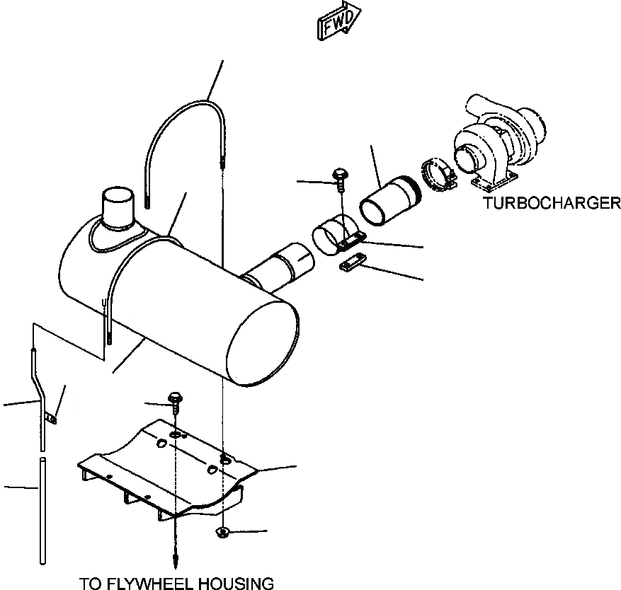
FIG NO. B-A ГЛУШИТЕЛЬ
№
Артикул
Название
Примечание
Количество
1
206-01-68220
MUFFLER
2
6222-11-5940
U-BOLT
3
01594-01008
NUT
4
6210-11-5232
CLAMP
5
6206-11-5850
PLATE
6
01435-01235
BOLT
7
6207-11-5431
BRACKET
8
01435-01025
9
6735-11-5610
TUBE
10
6209-11-5480
TUBE, DRAIN
11
07260-20950
HOSE
12
07285-00155
Выбрано товаров: 0