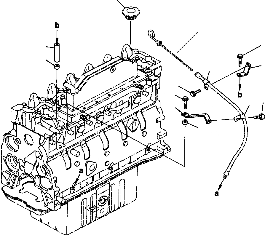
Запчасти Komatsu PC250LC-6LE FIG NO. B7-A МАСЛЯНЫЙ ЩУП КОРПУС КОМПОНЕНТЫ ДВИГАТЕЛЯ

Схема запчастей Komatsu PC250LC-6LE - FIG NO. B7-A МАСЛЯНЫЙ ЩУП КОРПУС КОМПОНЕНТЫ ДВИГАТЕЛЯ
12
13
11
2
3
1
4
5
6
10
9
7
8
FIT
1:1
100%

Артикул

Название

Примечание

Количество

1

6735-21-5220

BRACKET

2

6150-71-7130

COLLAR

3

6131-12-5920

SPACER

4

04434-51210

CLIP

5

01435-21014

BOLT

6

01435-01035

BOLT

7

206-01-A8420

BRACKET

8

6131-12-5920

SPACER

9

04434-51210

CLIP

10

01435-21014

BOLT

11

01436-01020

BOLT

Выбрано товаров: 11