Запчасти Komatsu PC25R-1 ГИДР. НАСОС. (/) ГИДРАВЛИКА

Схема запчастей Komatsu PC25R-1 - ГИДР. НАСОС. (/) ГИДРАВЛИКА
FIT
1:1
100%

Артикул

Название

Примечание

Количество

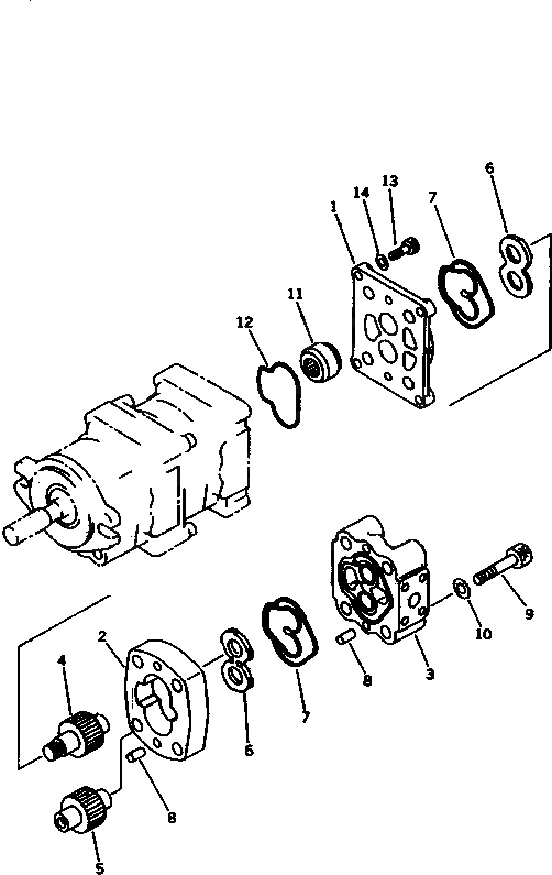
|1

705-41-08080

PUMP ASS'Y

|1

705-41-05040

PUMP ASS'Y (SBR7)

1

705-40-80511

BRACKET

|1

705-40-80620

BUSHING,PLANE (DRIVE SIDE)

|1

705-40-80610

BUSHING,PLANE (DRIVEN SIDE)

2

705-40-19011

CASE,GEAR

3

705-41-80110

COVER

|3

705-40-80610

BUSHING,PLANE (DRIVE SIDE)

|3

705-40-80620

BUSHING,PLANE (DRIVEN SIDE)

4

705-40-19452

GEAR,DRIVE

5

705-40-19511

GEAR,DRIVEN

6

705-40-80720

PLATE,SIDE

7

705-40-80760

SEAL,RING

8

705-67-01920

PIN,DOWEL

9

705-41-80860

BOLT

10

01643-51232

WASHER

11

705-67-01330

COUPLING ASS'Y

12

705-40-80660

SEAL,RING

13

705-41-80750

BOLT

14

01643-50823

WASHER

Выбрано товаров: 20