Запчасти Komatsu PC25R-8 СОЕДИНЕНИЕ КОВША РАБОЧЕЕ ОБОРУДОВАНИЕ

Схема запчастей Komatsu PC25R-8 - СОЕДИНЕНИЕ КОВША РАБОЧЕЕ ОБОРУДОВАНИЕ
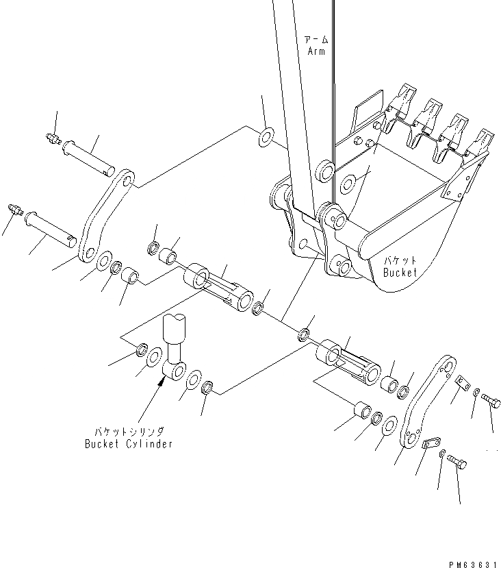
1
2
3
4
4
5
6
6
7
7
7
7
7
7
7
7
8
8
9
9
10
10
11
11
12
12
13
13
13
13
13
13
FIT
1:1
100%

Артикул

Название

Примечание

Количество

1

20N-70-41410

LINK,L.H.

2

20N-70-41420

LINK,R.H.

|3

20N-70-41400

LINK ASS'Y,L.H.

3

LINK

4

07144-10303

BUSHING

|5

20N-70-81600

LINK ASS'Y,R.H.

5

LINK

6

07144-10303

BUSHING

7

07145-00030

SEAL,DUST

8

20N-70-71561

PIN

9

07020-00000

FITTING,GREASE

10

04082-00110

LOCK

11

01010-51020

BOLT

12

01643-31032

WASHER

13

20N-70-11280

SPACER¤ 1.0MM

Выбрано товаров: 0