Качественные детали и логистика
Оригинальные и аналоговые запчасти с доставкой по России, Казахстану и Беларуси
©2022 PartSell ООО "Система" ИНН 2463123282 ОГРН 1212400004838
Центральный офис: г. Красноярск, Академика Киренского, д.87, пом.4
Телефон: 8 (800) 777-65-74 Email: zakaz@partsell.ru
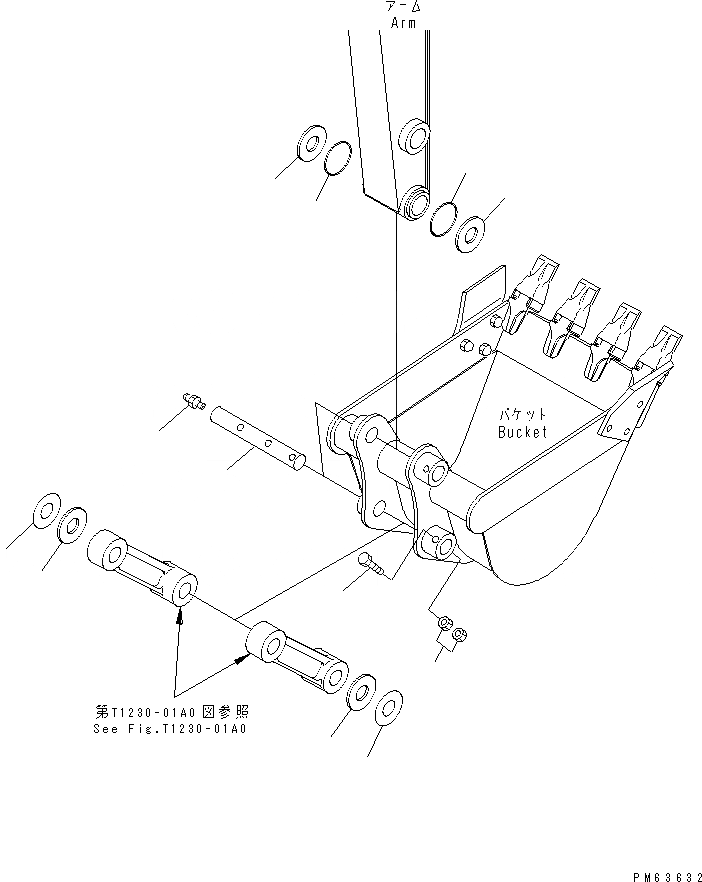
ПАЛЕЦ КОВША
№
Артикул
Название
Примечание
Количество
1
20N-70-71572
PIN
2
07020-00000
FITTING,GREASE
3
01010-81075
BOLT
4
01580-11008
NUT
5
20D-14-11530
O-RING
6
20N-70-71180
SPACER
7
20N-70-11280
SPACER¤ 1.0MM
Выбрано товаров: 0