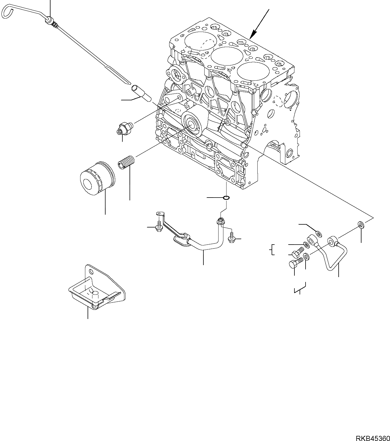
Запчасти Komatsu PC26MR-3 СМАЗЫВ. НАСОС ДВИГАТЕЛЬ

Схема запчастей Komatsu PC26MR-3 - СМАЗЫВ. НАСОС ДВИГАТЕЛЬ
1
16
10
4
2
3
15
9
9
13
15
12
14
5
13
14
11
12
17
A
FIT
1:1
100%

Артикул

Название

Примечание

Количество

\0

22K-01-21101

TURBO ENGINE, ASSEMBLY

1

YM119740-34801

GAUGE, OIL LEVEL

2

YM129100-35140

STUD

3

YM119305-35151

OIL FILTER

4

YM119717-32060

O-RING

5

YM119717-35080

PIPE

9

YM26106-060102

BOLT, FLANGED

10

YM121252-39450

SWITCH, OIL PRESSURE

11

YM119717-39210

PIPE

12

YM129005-59830

BOLT, ASSEMBLY

13

YM22190-080002

SEAL, WASHER

14

YM23857-030000

BOLT, JOINT

15

YM22190-080002

SEAL, WASHER

16

YM121520-34810

GUIDE

17

YM119740-35800

TANK

Выбрано товаров: 15