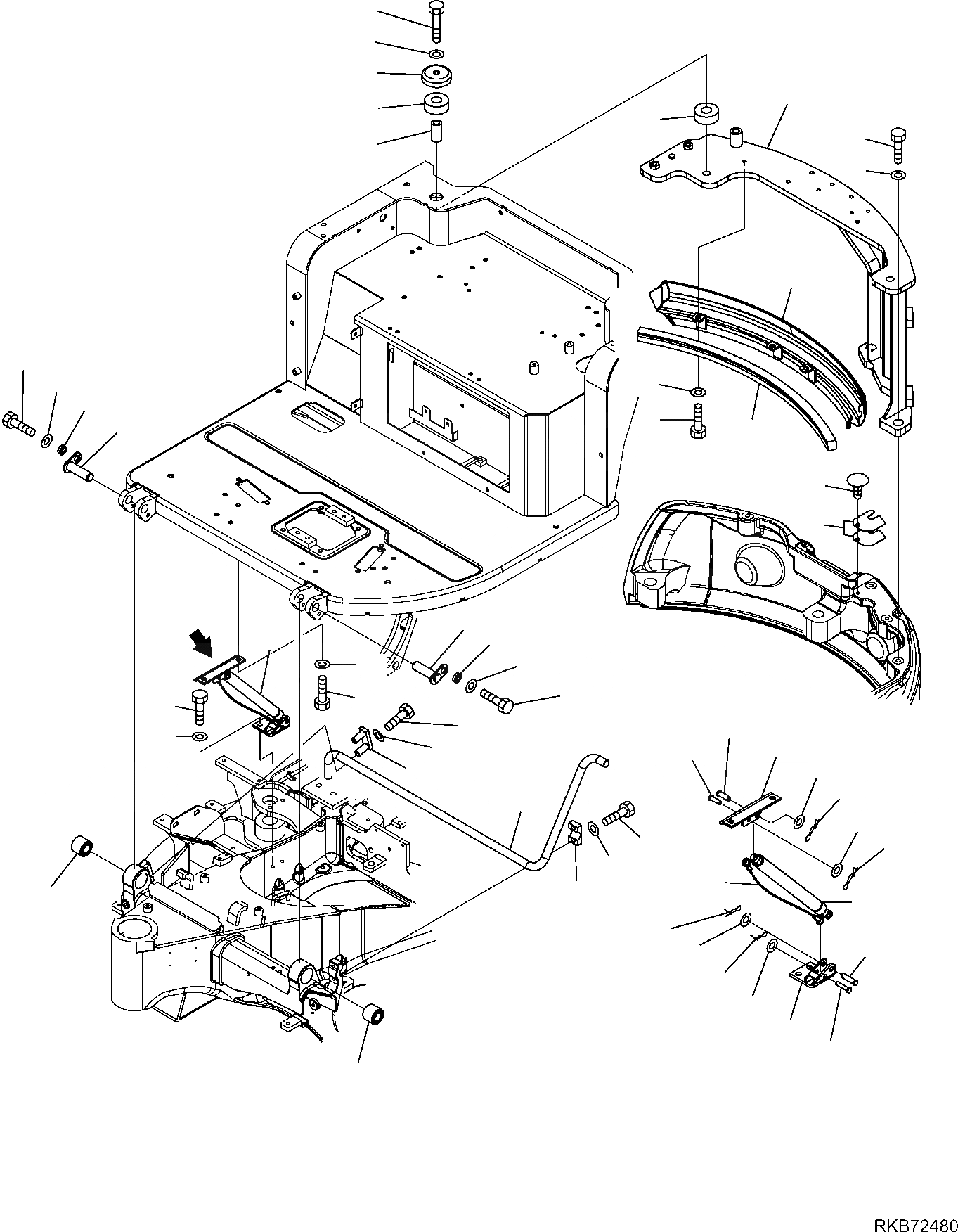
Запчасти Komatsu PC26MR-3 КРЕПЛЕНИЕ ОСН. КОНСТРУКЦИИING (НАКЛОН. СИСТЕМА) (НАВЕС) ЧАСТИ КОРПУСА И КАБИНА

Схема запчастей Komatsu PC26MR-3 - КРЕПЛЕНИЕ ОСН. КОНСТРУКЦИИING (НАКЛОН. СИСТЕМА) (НАВЕС) ЧАСТИ КОРПУСА И КАБИНА
13
14
11
1
10
10
2
12
3
6
18
19
9
17
16
7
5
4
16
20
17
35
19
18
34
31
21
41
32
33
26
42
24
40
23
36
28
29
38
39
25
37
20
15
23
22
24
29
28
30
27
15
a
a
8
FIT
1:1
100%

Артикул

Название

Примечание

Количество

1

2A1-54-12110

BRACKET

2

01010-81450

BOLT

3

195-71-32220

WASHER

4

22K-54-22281

SHIM

5

22K-54-22290

CAP

6

22K-54-22133

COVER

7

22K-54-22261

SHEET

8

01010-81020

BOLT

9

01643-11032

WASHER

10

203-54-21110

DAMPER

11

22M-54-23210

COLLAR

12

22L-54-22332

PIN

13

01011-81600

BOLT

14

01643-11645

WASHER

15

22L-54-22231

BUSHING

16

22L-54-22190

PIN

17

22J-70-11550

COLLAR

18

01010-81020

BOLT

19

01643-11032

WASHER

20

22L-54-22390

SPRING

21

04205-31032

PIN

22

04205-31042

PIN

23

04050-12035

PIN, COTTER

24

01643-11032

WASHER

25

22L-54-R2280

WIRE

26

04205-10830

PIN

27

22L-54-22250

PIN

28

01643-10823

WASHER

29

04050-12030

PIN, COTTER

30

22K-54-22120

BRACKET

31

01010-81025

BOLT

32

01643-11032

WASHER

33

22L-54-R2752

BRACKET

34

01010-81025

BOLT

35

01643-11032

WASHER

36

22L-54-22131

BAR

37

22L-54-22211

CLAMP

38

01010-81040

BOLT

39

01643-11032

WASHER

40

22L-54-22780

CLAMP

41

01010-81060

BOLT

42

01643-11032

WASHER

Выбрано товаров: 42