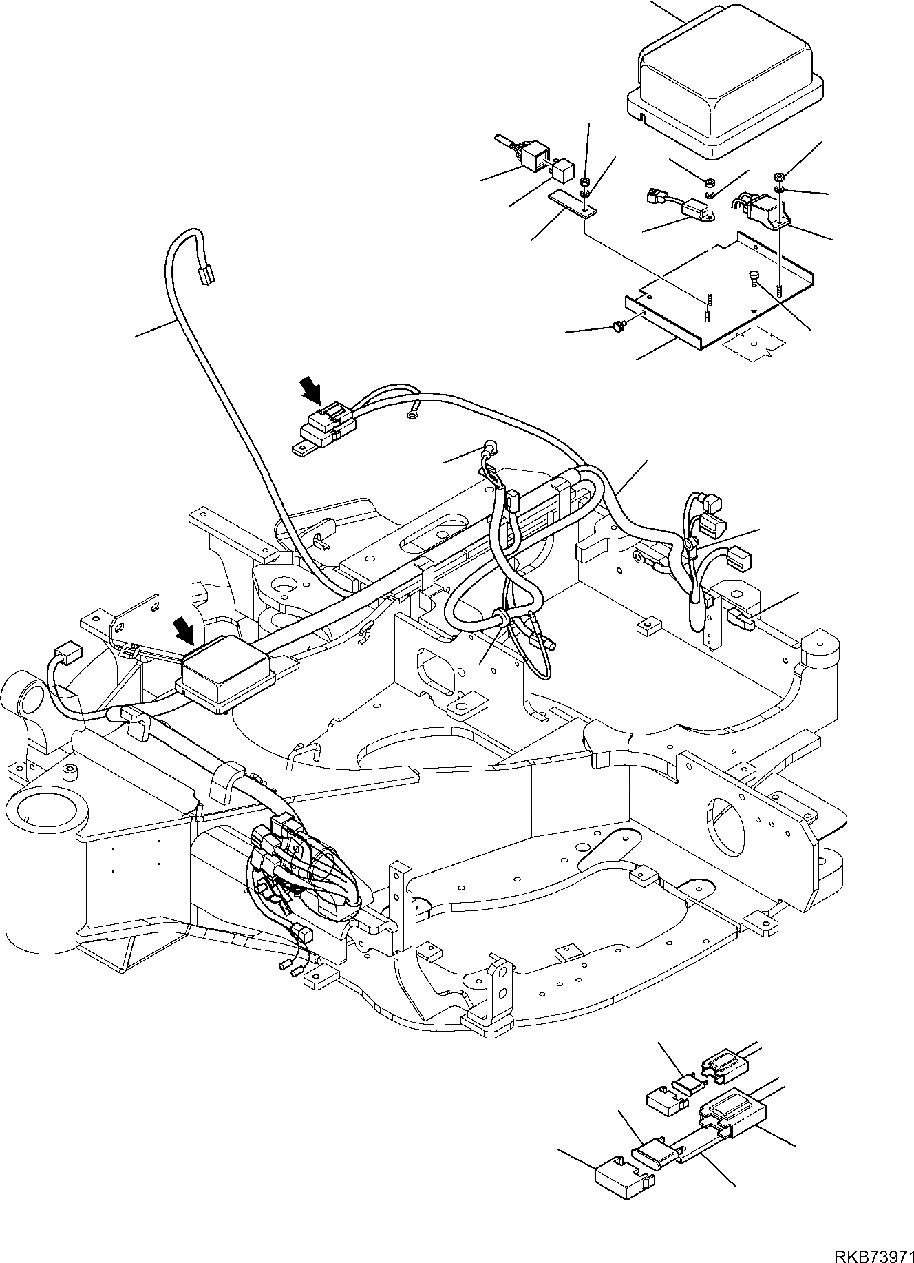
Запчасти Komatsu PC26MR-3 ЭЛЕКТРИКА (РАМА ЛИНИЯ) (/) КОМПОНЕНТЫ ДВИГАТЕЛЯ И ЭЛЕКТРИКА

Схема запчастей Komatsu PC26MR-3 - ЭЛЕКТРИКА (РАМА ЛИНИЯ) (/) КОМПОНЕНТЫ ДВИГАТЕЛЯ И ЭЛЕКТРИКА
6
11
14
12
14
15
1
15
9
13
16
10
8
1
21
7
1
2
3
4
5
20
18
19
17
10
b
b
a
a
FIT
1:1
100%

Артикул

Название

Примечание

Количество

1

2A1-06-11110

WIRING HARNESS, ENGINE LINE

2

885241031

BOOT

3

395-06-12260

BOOT

4

21X-06-31530

DIODE

5

22L-09-R3G30

GROMMET

6

37D-06-11410

COVER

7

37A-06-12820

PLATE

8

226-06-11330

KNOB

9

226-06-11350

RELAY

10

22L-09-R3960

SUPPORT, RELAY

11

NUT, LOCK

12

01640-20610

WASHER

13

YM129211-77920

TIMER

14

NUT, LOCK

15

WASHER

16

YM119802-77200

RELAY

17

885411449

FUSE BOX

18

22E-06-11620

FUSE

19

21W-09-R6630

COVER

20

21D-06-11830

FUSE 15A

21

01435-00610

BOLT

Выбрано товаров: 0