Запчасти Komatsu PC26MR-3 ЭЛЕКТРИКА (ПЛАТФОРМА ЛИНИЯ) (/) КОМПОНЕНТЫ ДВИГАТЕЛЯ И ЭЛЕКТРИКА

Схема запчастей Komatsu PC26MR-3 - ЭЛЕКТРИКА (ПЛАТФОРМА ЛИНИЯ) (/) КОМПОНЕНТЫ ДВИГАТЕЛЯ И ЭЛЕКТРИКА
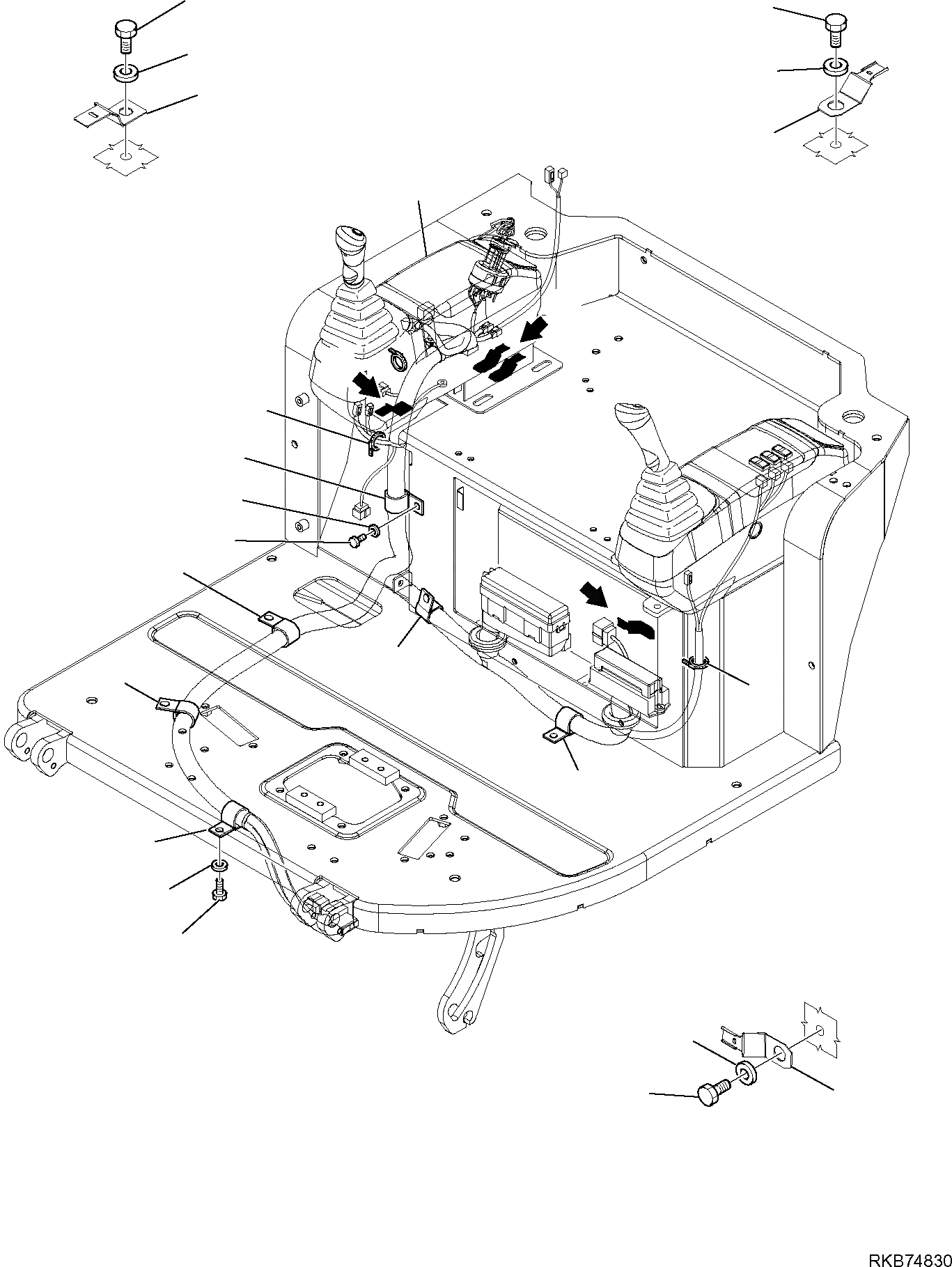
11
14
12
15
10
13
9
8
4
6
5
1
1
1
7
1
1
3
2
18
17
16
a
b
c
c
b
a
FIT
1:1
100%

Артикул

Название

Примечание

Количество

1

04434-52712

CLAMP

2

01010-81020

BOLT

3

01643-11032

WASHER

4

08053-00910

CLAMP

5

01010-80812

BOLT

6

01643-10823

WASHER

7

08034-20823

CLAMP

8

21D-06-13220

BAND

9

08034-20414

BAND

10

08193-20010

CLIP

11

01010-80812

BOLT

12

01643-10823

WASHER

13

08053-01510

CLIP

14

01010-81020

BOLT

15

01643-11032

WASHER

16

42N-06-11660

CLIP

17

01010-80625

BOLT

18

01643-10623

WASHER

Выбрано товаров: 18