Запчасти Komatsu PC270-7 УПРАВЛ-Е ПОДАЧ. ТОПЛИВА(№-) КОМПОНЕНТЫ ДВИГАТЕЛЯ

Схема запчастей Komatsu PC270-7 - УПРАВЛ-Е ПОДАЧ. ТОПЛИВА(№-) КОМПОНЕНТЫ ДВИГАТЕЛЯ
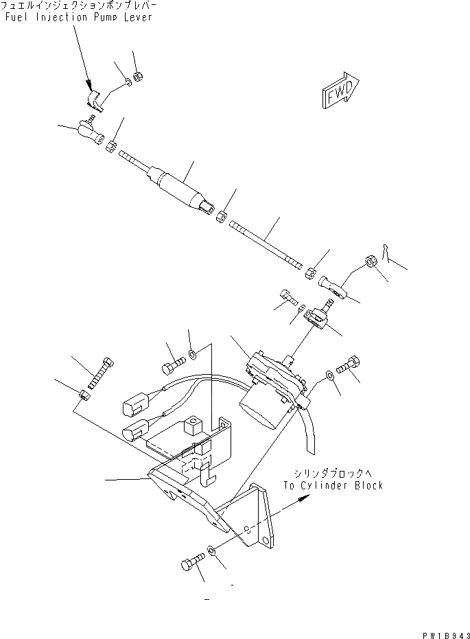
1
2
3
4
5
6
7
8
9
10
11
12
13
14
15
16
17
18
19
20
21
22
23
24
FIT
1:1
100%

Артикул

Название

Примечание

Количество

1

20Y-43-31310

BRACKET

2

01010-81230

BOLT

3

01643-31232

WASHER

4

01010-80820

BOLT

5

01643-30823

WASHER

6

7834-41-2001

MOTOR ASS'Y

6

7834-41-2000

MOTOR ASS'Y

7

01010-81040

BOLT

8

01643-31032

WASHER

9

20Y-43-12143

LEVER

10

01010-81030

BOLT

11

01602-21030

WASHER

12

01016-51070

BOLT

13

01580-11008

NUT

14

20Y-43-23441

SPRING ASS'Y

15

01582-11008

NUT

16

04248-31018

ROD

17

01508-41006

NUT

18

04250-91056

END

19

01593-31008

NUT

20

04050-12018

PIN

21

01582-11008

NUT

22

20Y-43-12180

JOINT

23

01602-20619

WASHER

24

01580-10605

NUT

Выбрано товаров: 25