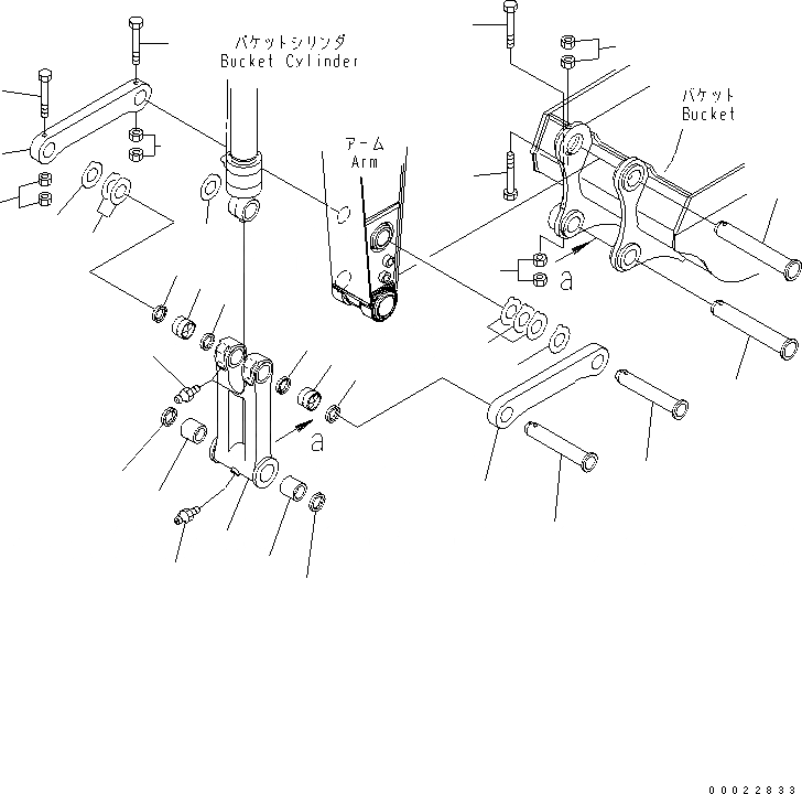
Запчасти Komatsu PC270-8 РУКОЯТЬ (СОЕДИНЕНИЕ КОВША) (СПЕЦ-Я ДЛЯ РАЗРУШ. ЗДАНИЙ) РАБОЧЕЕ ОБОРУДОВАНИЕ

Схема запчастей Komatsu PC270-8 - РУКОЯТЬ (СОЕДИНЕНИЕ КОВША) (СПЕЦ-Я ДЛЯ РАЗРУШ. ЗДАНИЙ) РАБОЧЕЕ ОБОРУДОВАНИЕ
1
2
2
3
3
4
4
5
5
5
5
5
5
6
7
8
9
10
11
12
13
14
15
16
17
17
18
19
20
21
22
23
FIT
1:1
100%

Артикул

Название

Примечание

Количество

|$7

206-70-00930

LINK ASS'Y

1

LINK

2

21K-70-12161

BUSHING

3

206-70-53150

BUSHING

4

07020-00000

FITTING

5

20Y-70-23230

SEAL

6

206-70-63150

LINK

7

206-70-63160

LINK

8

20Y-973-1270

PIN

9

20Y-70-32450

BOLT

10

01580-12016

NUT

11

20Y-70-11340

SPACER, 0.8MM

12

205-70-51530

SPACER, 1.5MM

13

20Y-973-1270

PIN

14

20Y-70-32450

BOLT

15

01580-12016

NUT

16

20Y-70-11340

SPACER, 0.8MM

17

205-70-51530

SPACER, 1.5MM

18

205-70-73270

PIN

19

20Y-70-32450

BOLT

20

01580-12016

NUT

21

205-70-73270

PIN

22

20Y-70-32460

BOLT

23

01580-12016

NUT

Выбрано товаров: 24