Качественные детали и логистика
Оригинальные и аналоговые запчасти с доставкой по России, Казахстану и Беларуси
©2022 PartSell ООО "Система" ИНН 2463123282 ОГРН 1212400004838
Центральный офис: г. Красноярск, Академика Киренского, д.87, пом.4
Телефон: 8 (800) 777-65-74 Email: zakaz@partsell.ru
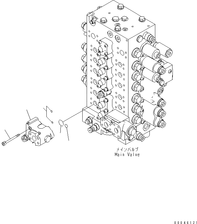
ПРЕДОТВРАЩЕНИЕ СМЕЩЕНИЮ КЛАПАН (РУКОЯТЬ КОНТУР)
№
Артикул
Название
Примечание
Количество
1
723-40-82601
VALVE
723-40-82600
LOCK VALVE
2
01252-61075
BOLT
3
07000-13032
O-RING
4
07000-12021
5
702-16-53920
Выбрано товаров: 0