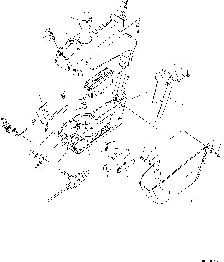
Запчасти Komatsu PC270-8 КАБИНА (ПОЛ) (КОНСОЛЬ¤ ЛЕВ.) (ДЛЯ KAL)(№-87) КАБИНА ОПЕРАТОРА И СИСТЕМА УПРАВЛЕНИЯ

Схема запчастей Komatsu PC270-8 - КАБИНА (ПОЛ) (КОНСОЛЬ¤ ЛЕВ.) (ДЛЯ KAL)(№-87) КАБИНА ОПЕРАТОРА И СИСТЕМА УПРАВЛЕНИЯ
1
2
3
4
5
6
7
8
9
10
11
12
13
14
14
15
15
16
16
16
17
18
19
20
20
21
21
21
22
23
24
25
26
27
FIT
1:1
100%

Артикул

Название

Примечание

Количество

1

20Y-43-42414

FRAME

2

01010-81030

BOLT

3

01643-31032

WASHER

4

20Y-43-41472

BRACKET

5

01010-80616

BOLT

6

01643-30623

WASHER

7

20Y-43-41621

SHEET

8

20Y-43-41641

SHEET

9

20Y-43-41423

COVER

10

20Y-43-41651

SHEET

11

20Y-43-41661

SHEET

12

01245-00616

SCREW

13

01643-70623

WASHER

14

01010-80616

BOLT

15

01643-30623

WASHER

16

20Y-43-41290

COLLAR

17

20Y-43-41442

COVER

18

01245-00616

SCREW

19

01643-70623

WASHER

20

01435-00612

BOLT

21

20Y-43-41290

COLLAR

22

20Y-43-41453

COVER

23

01245-00616

SCREW

24

01643-70623

WASHER

25

20Y-43-41290

COLLAR

26

22U-43-23260

CLIP

27

20Y-43-41491

ASHTRAY

Выбрано товаров: 27