Запчасти Komatsu PC270-8 ЛИНИЯ ПОДАЧИ (C ПРОХОДНЫМ ФИЛЬТРОМ)(№-) ГИДРАВЛИКА

Схема запчастей Komatsu PC270-8 - ЛИНИЯ ПОДАЧИ (C ПРОХОДНЫМ ФИЛЬТРОМ)(№-) ГИДРАВЛИКА
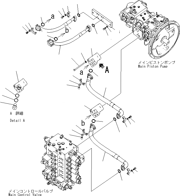
1
2
2
3
4
4
5
5
6
6
7
7
8
8
8
9
10
11
12
12
13
13
13
14
14
14
15
15
15
16
17
18
19
20
20
21
21
22
23
24
25
FIT
1:1
100%

Артикул

Название

Примечание

Количество

1

20Y-62-51630

HOSE

2

07000-13032

O-RING

3

20Y-62-51640

HOSE

4

07000-13032

O-RING

5

07371-31049

FLANGE

6

07372-21035

BOLT

7

01643-51032

WASHER

8

20Y-60-41500

FILTER ASS'Y

9

20Y-60-31430

ELEMENT

10

07000-12035

O-RING

11

21K-62-72790

RING

12

07000-13035

O-RING

13

07371-31049

FLANGE

14

07372-21035

BOLT

15

01643-51032

WASHER

16

20Y-62-52474

BRACKET

17

07371-30640

FLANGE

18

07372-21035

BOLT

19

01643-51032

WASHER

20

20Y-62-52461

HOSE

21

07000-13032

O-RING

22

01011-81040

BOLT

23

01643-31032

WASHER

24

01010-81245

BOLT

25

01643-31232

WASHER

Выбрано товаров: 25