Качественные детали и логистика
Оригинальные и аналоговые запчасти с доставкой по России, Казахстану и Беларуси
©2022 PartSell ООО "Система" ИНН 2463123282 ОГРН 1212400004838
Центральный офис: г. Красноярск, Академика Киренского, д.87, пом.4
Телефон: 8 (800) 777-65-74 Email: zakaz@partsell.ru
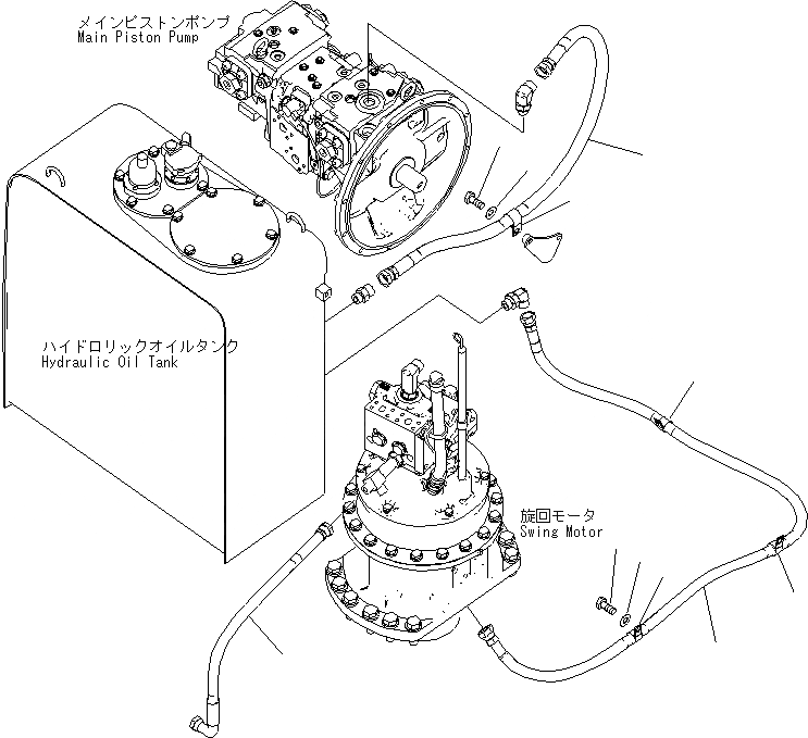
ВОЗВРАТН. ЛИНИИ(№-)
№
Артикул
Название
Примечание
Количество
1
02763-00509
HOSE
2
20Y-62-42471
HOSE, 2200MM
3
04434-52312
CLIP
4
01010-81225
BOLT
5
01643-31232
WASHER
6
20Y-62-43870
HOSE, 1300MM
7
04434-52712
8
9
Выбрано товаров: 0