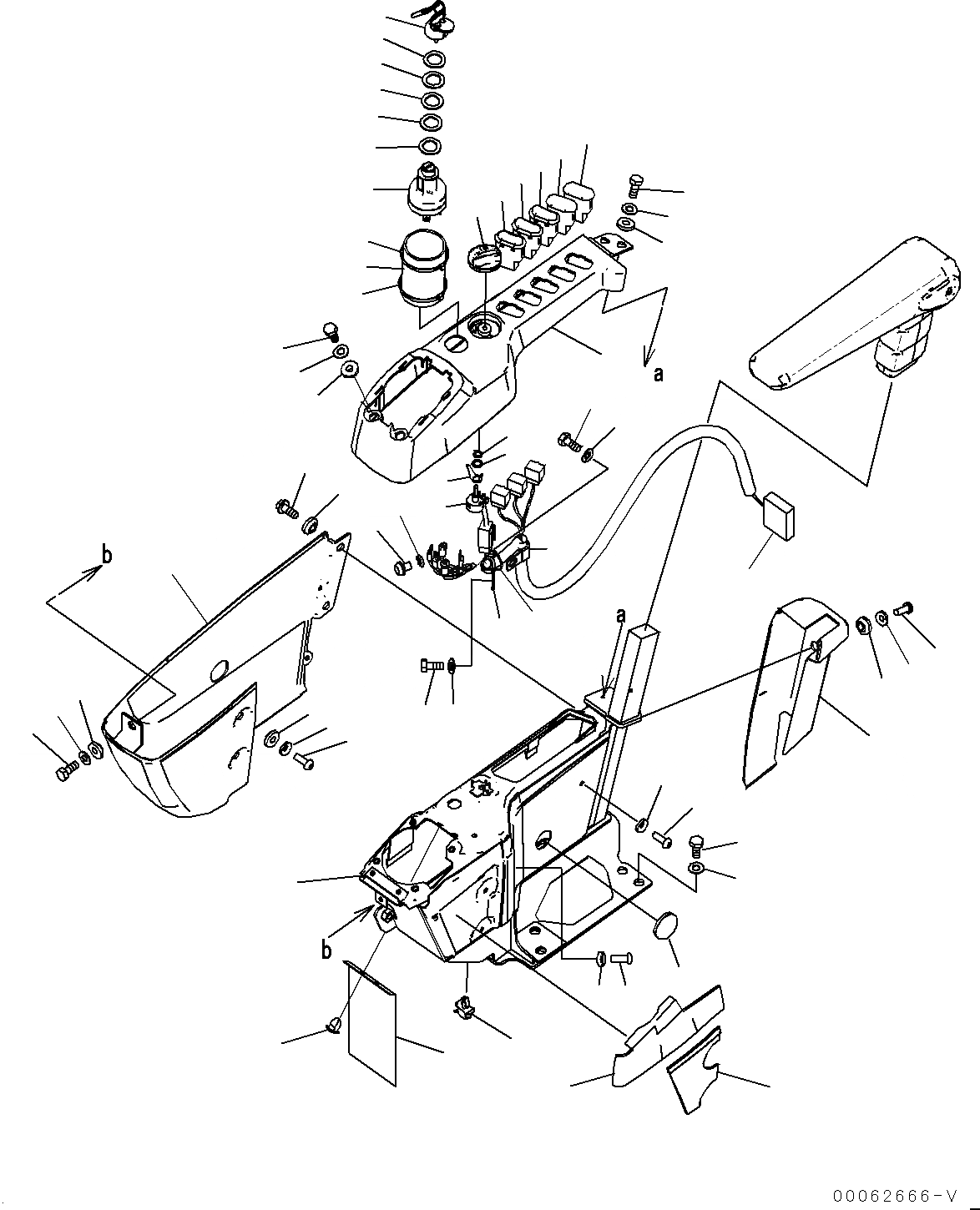
Запчасти Komatsu PC270-8 КАБИНА, ПОЛ, КОНСОЛЬ, ПРАВ. (№7-) КАБИНА, С АВТОМАТИЧ. КОНДИЦ. ВОЗДУХА, БОЛ. WIND QUANTITY, AM-FM РАДИО ДЛЯ АЗИИ, СИГНАЛИЗ. ПЕРЕГРУЗКИ, POWER ПОДАЮЩ., VOLT, KOMTRAX

Схема запчастей Komatsu PC270-8 - КАБИНА, ПОЛ, КОНСОЛЬ, ПРАВ. (№7-) КАБИНА, С АВТОМАТИЧ. КОНДИЦ. ВОЗДУХА, БОЛ. WIND QUANTITY, AM-FM РАДИО ДЛЯ АЗИИ, СИГНАЛИЗ. ПЕРЕГРУЗКИ, POWER ПОДАЮЩ., VOLT, KOMTRAX
2
4
6
7
8
11
9
11
9
12
18
14
13
18
15
18
17
19
22
21
20
24
23
24
23
25
10
10
16
3
29
28
27
28
28
30
31
31
34
33
32
32
32
36
35
38
37
37
43
44
45
47
48
42
41
40
39
46
49
5
1
26
26
FIT
1:1
100%

Артикул

Название

Примечание

Количество

1

20Y-43-41314

Frame

1

20Y-43-41313

Frame

2

01010-D1230

Bolt

3

01643-71232

Washer

4

20Y-43-41631

Sheet

5

22U-43-23251

Sheet

6

22U-43-23290

Clip

7

20Y-43-41324

Cover

7

20Y-43-41323

Cover

8

20Y-43-41661

Sheet

9

01010-80616

Bolt

10

01643-30623

Washer

11

20Y-43-41290

Collar

12

20Y-43-41332

Cover

13

01245-00616

Screw

14

01643-70623

Washer

15

01010-80616

Bolt

16

01643-30623

Washer

17

01435-00612

Bolt

18

20Y-43-41290

Collar

19

20Y-43-41353

Cover

20

01245-00616

Screw

21

01643-70623

Washer

22

20Y-43-41290

Collar

23

01245-00616

Screw

24

01643-70623

Washer

25

09415-02512

Cap

26

08086-20000

Switch, Starting

27

20Y-43-41740

Plate

28

20Y-43-41750

Washer

29

20Y-43-41790

Washer

30

20Y-43-41671

Sheet

31

08034-20519

Band

32

22U-06-22380

Potentiometer

33

22U-06-22460

Spring

34

20Y-43-41781

Knob

34

20Y-43-41780

Knob

35

20Y-06-42110

Switch, Lock

36

20Y-06-42121

Switch, Lamp

37

20Y-06-42190

Cover

38

20Y-06-42170

Switch

39

20Y-06-41130

Wiring Harness

40

08034-20414

Band

41

01023-10508

Screw

42

01601-20513

Washer

43

22U-43-23260

Clip

44

04434-51710

Clip

45

01010-81016

Bolt

46

01643-31032

Washer

47

04434-51410

Clip

48

01010-81016

Bolt

49

01643-31032

Washer

Выбрано товаров: 52