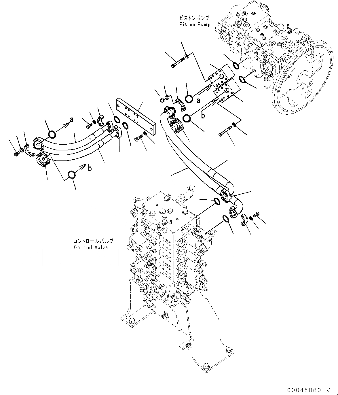
Запчасти Komatsu PC270-8 ПОДАЮЩ. ТРУБЫ (№7-) ПОДАЮЩ. ТРУБЫ

Схема запчастей Komatsu PC270-8 - ПОДАЮЩ. ТРУБЫ (№7-) ПОДАЮЩ. ТРУБЫ
8
8
10
10
10
10
11
12
12
11
1
3
5
5
7
6
13
14
14
16
15
17
17
20
19
22
22
21
21
2
4
4
2
9
9
18
18
18
18
FIT
1:1
100%

Артикул

Название

Примечание

Количество

1

07084-01AA9

Hose, Flange Type

2

07000-13032

O-ring

3

20Y-62-52690

Hose

4

07000-13032

O-ring

5

07371-31049

Flange, Split

6

07372-21035

Bolt

7

01643-51032

Washer

8

20Y-62-52790

Block

9

07000-13032

O-ring

10

07371-31049

Flange, Split

11

07372-21035

Bolt

12

01643-51032

Washer

13

20Y-62-52474

Bracket

14

07371-30640

Flange, Split

15

07372-21035

Bolt

16

01643-51032

Washer

17

20Y-62-52461

Hose

18

07000-13032

O-ring

19

01010-81245

Bolt

20

01643-31232

Washer

21

01011-81025

Bolt

22

01643-31032

Washer

Выбрано товаров: 22